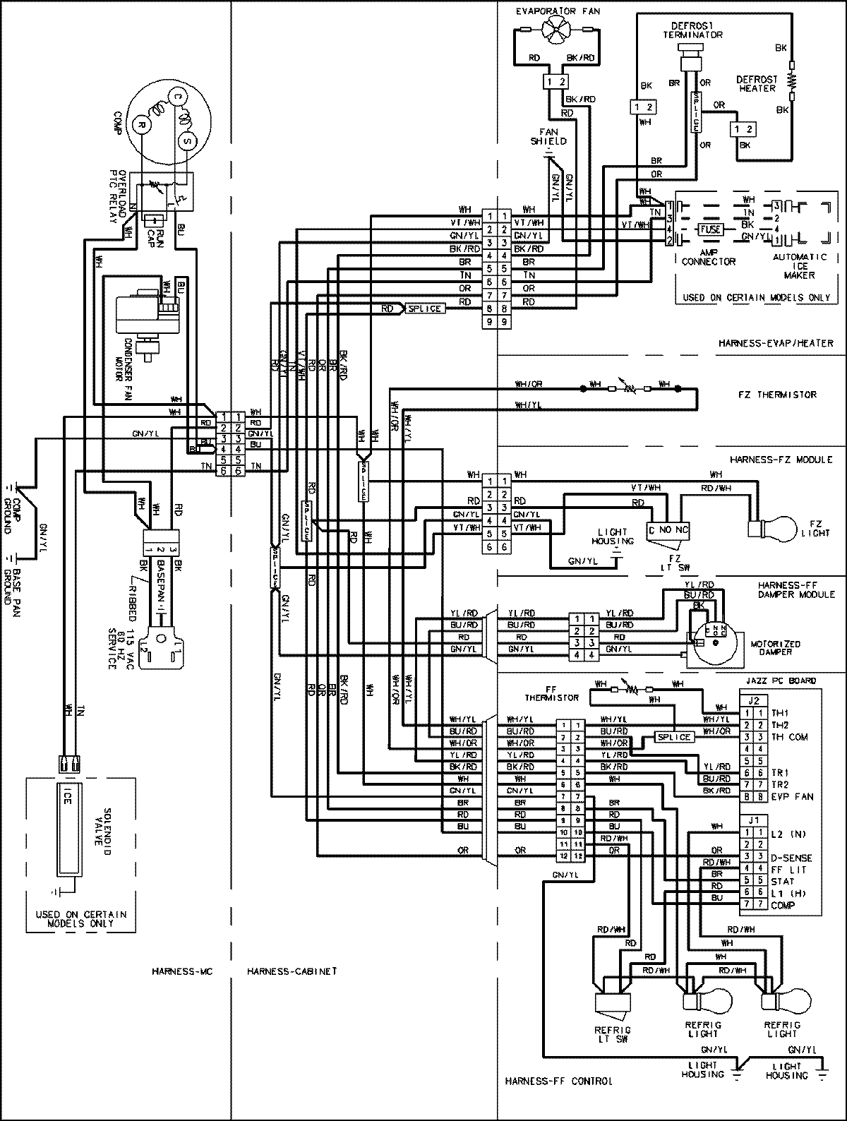
ABB2224DEB 11 – WIRING INFORMATIONadmin2025-04-26T08:55:38+00:00ABB2224DEB 11 – WIRING INFORMATION ProductsPositionProductNIMAY 15003510