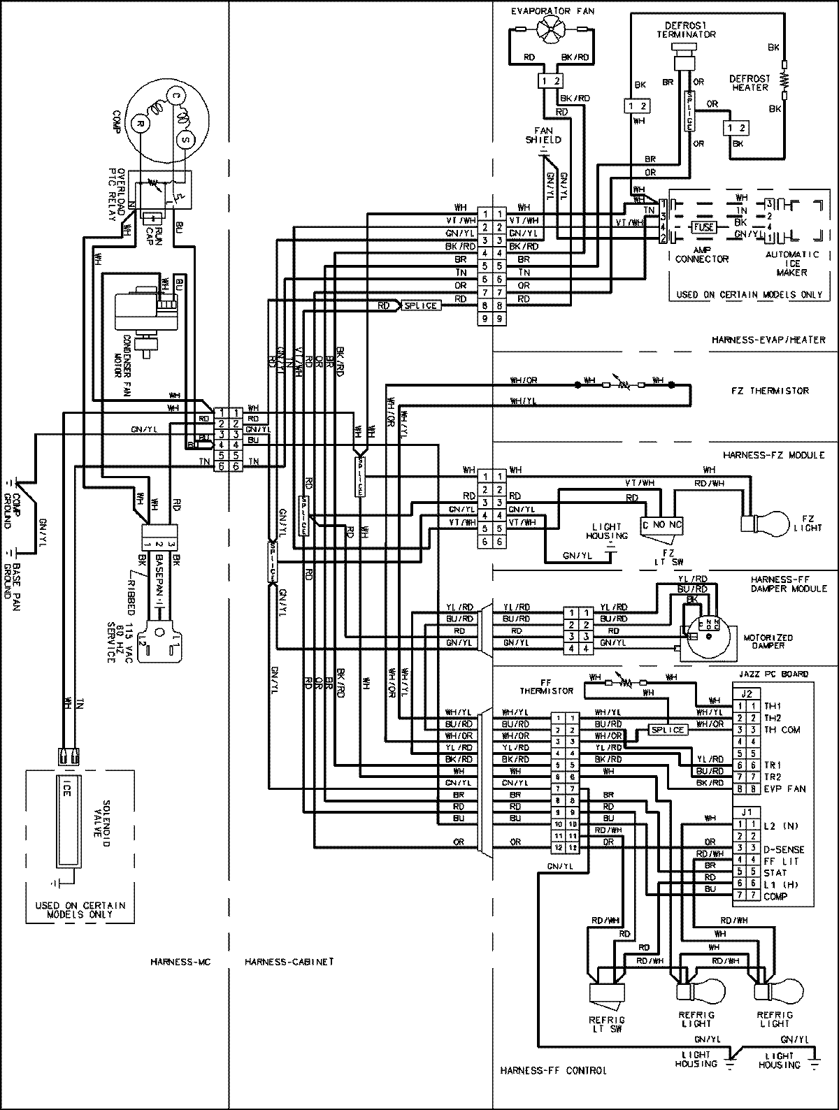
ABB2224DEQ 11 – WIRING INFORMATIONadmin2025-04-26T08:56:18+00:00ABB2224DEQ 11 – WIRING INFORMATION ProductsPositionProductNIMAY 15003510