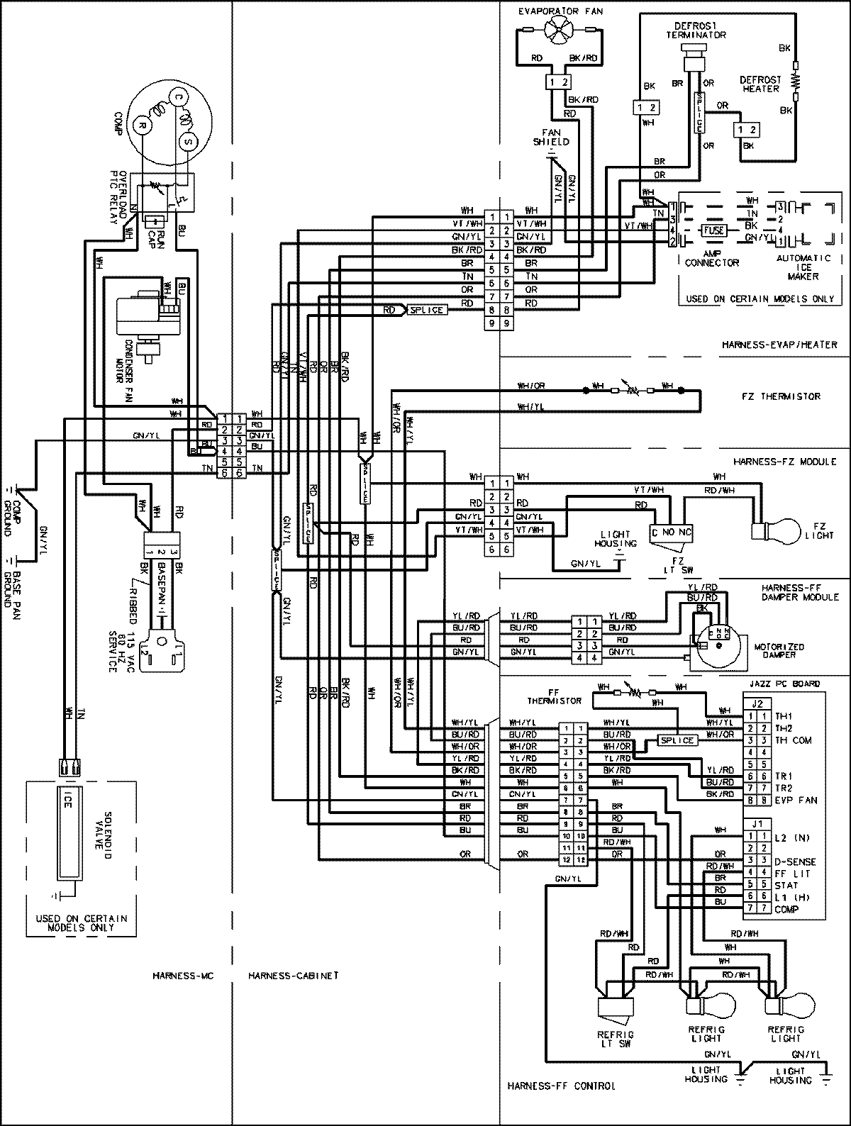
ABB2224DEW 11 – WIRING INFORMATIONadmin2025-04-26T08:55:40+00:00ABB2224DEW 11 – WIRING INFORMATION ProductsPositionProductNIMAY 15003510