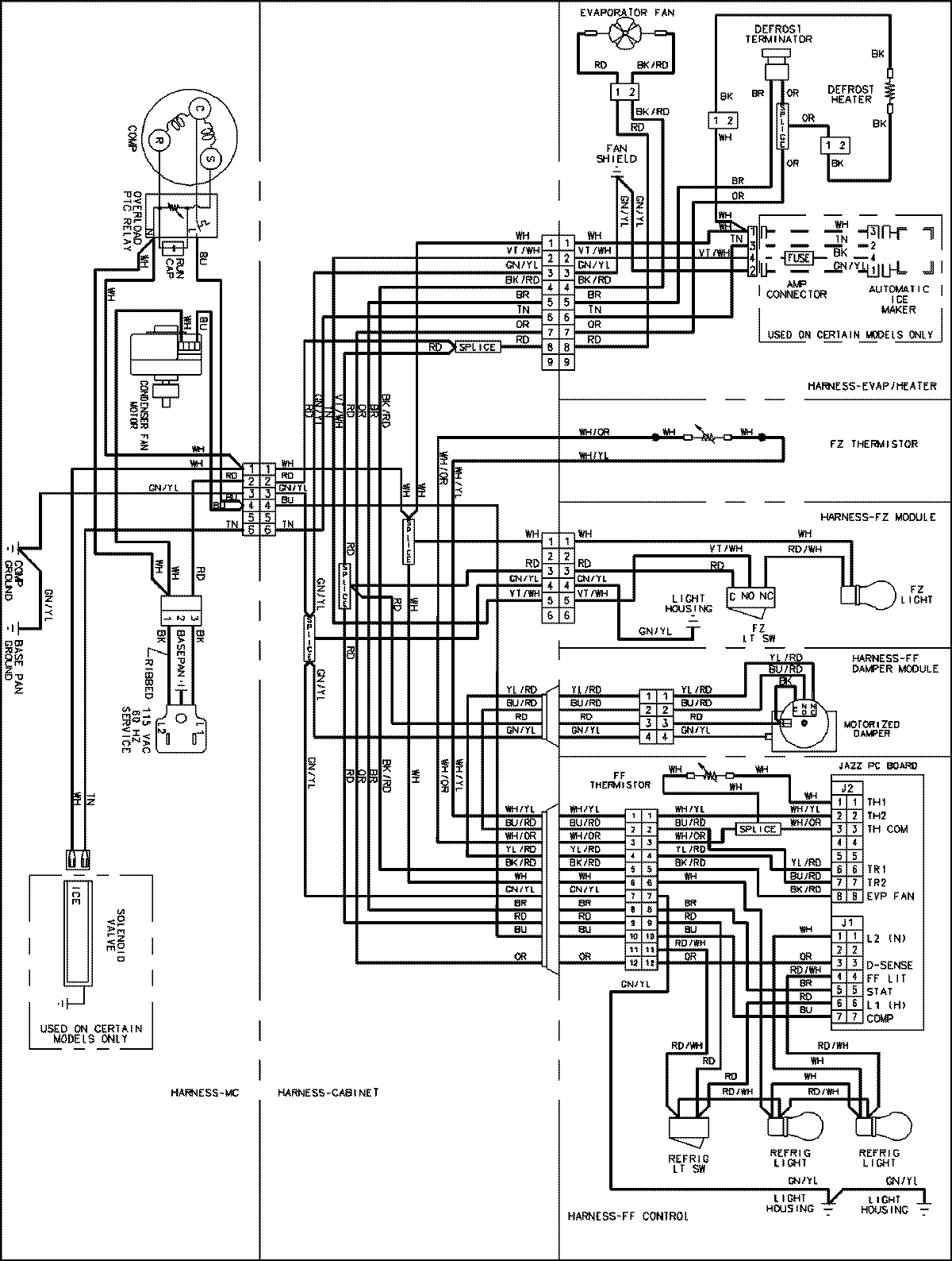
ABB2227DEB 11 – WIRING INFORMATIONadmin2025-04-26T08:56:01+00:00ABB2227DEB 11 – WIRING INFORMATION ProductsPositionProductNIMAY 15003510