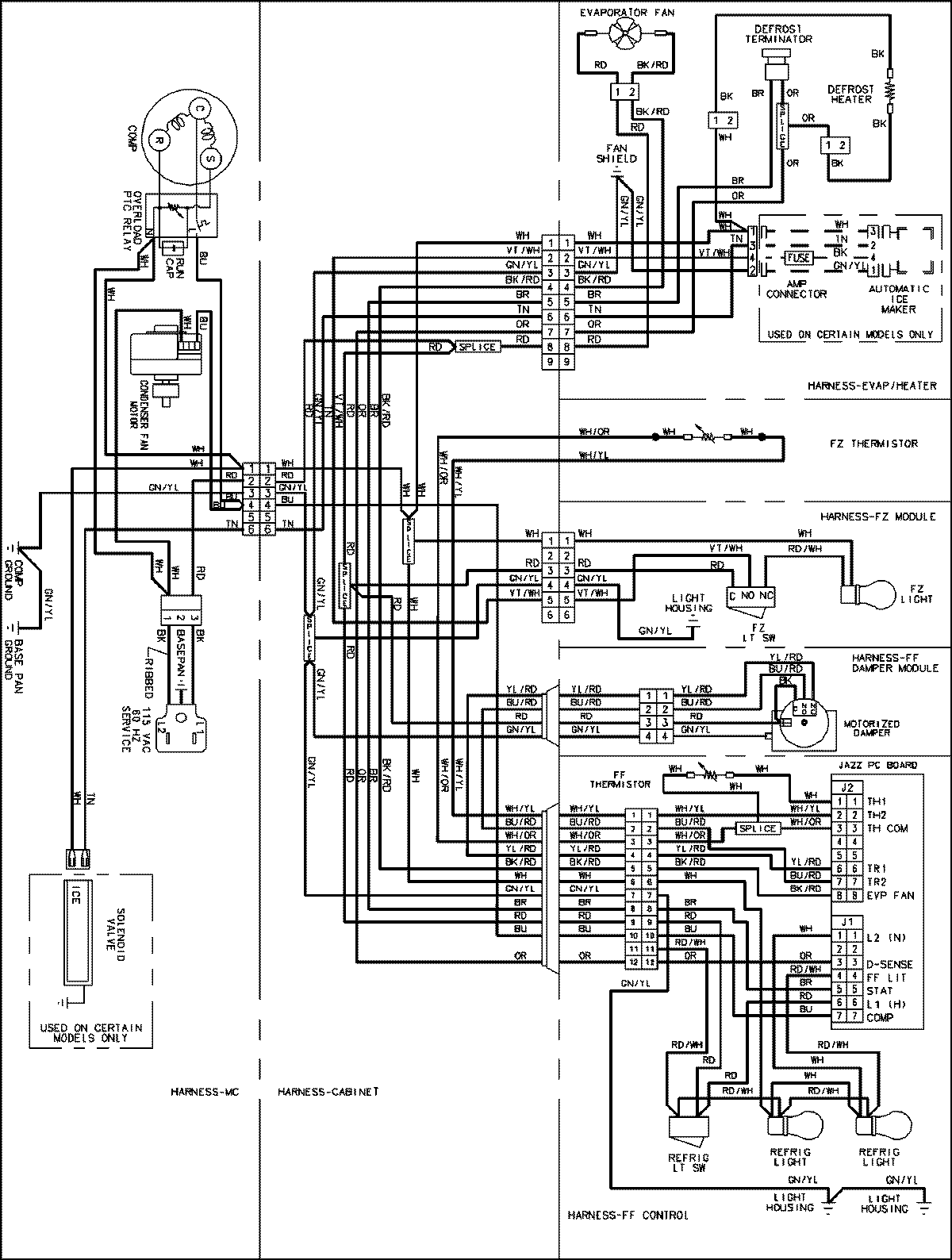
ABB2227DES 11 – WIRING INFORMATIONadmin2025-04-26T08:56:19+00:00ABB2227DES 11 – WIRING INFORMATION ProductsPositionProductNIMAY 15003510