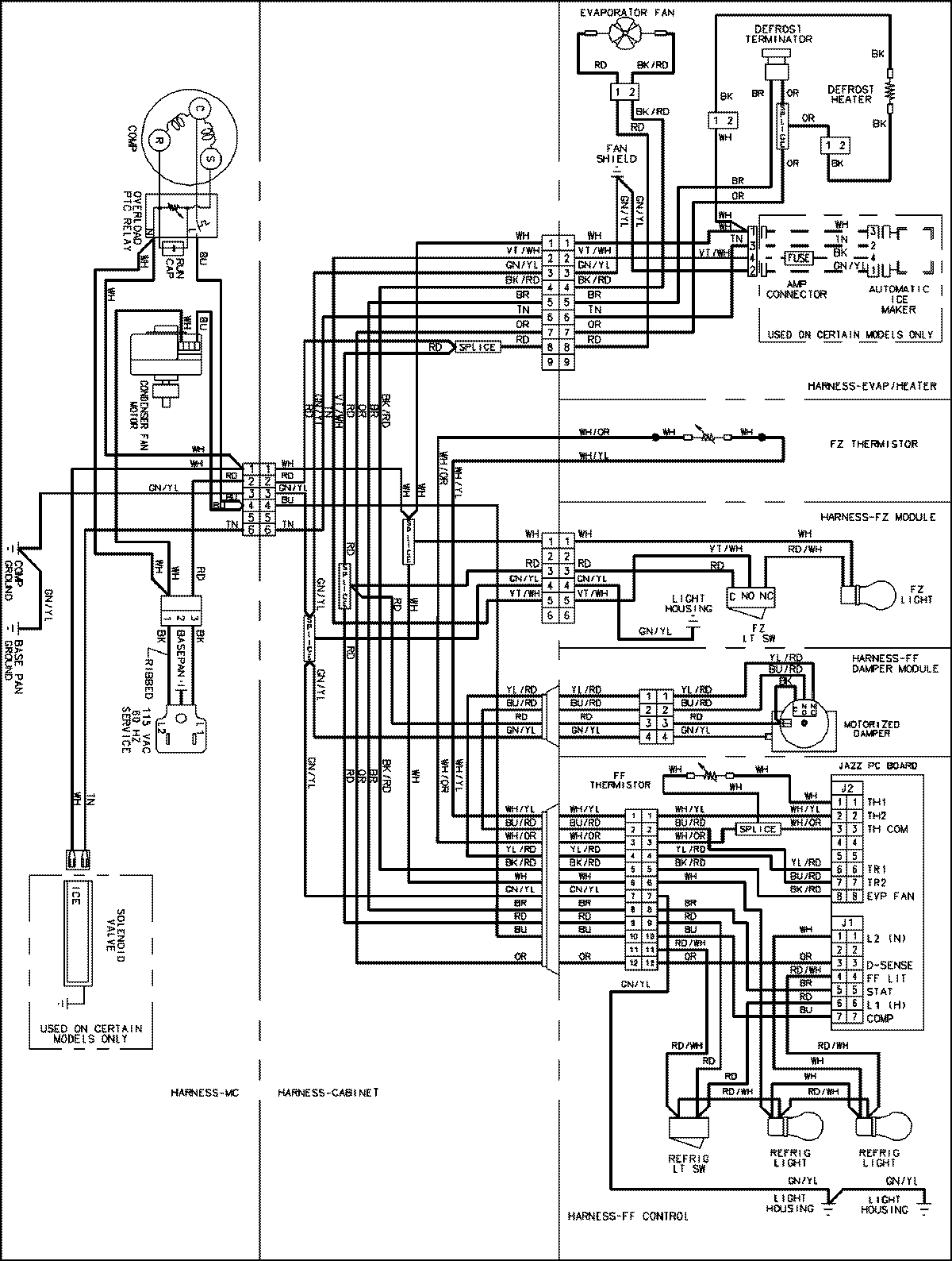
ABB2227DEW 11 – WIRING INFORMATIONadmin2025-04-26T08:56:00+00:00ABB2227DEW 11 – WIRING INFORMATION ProductsPositionProductNIMAY 15003510