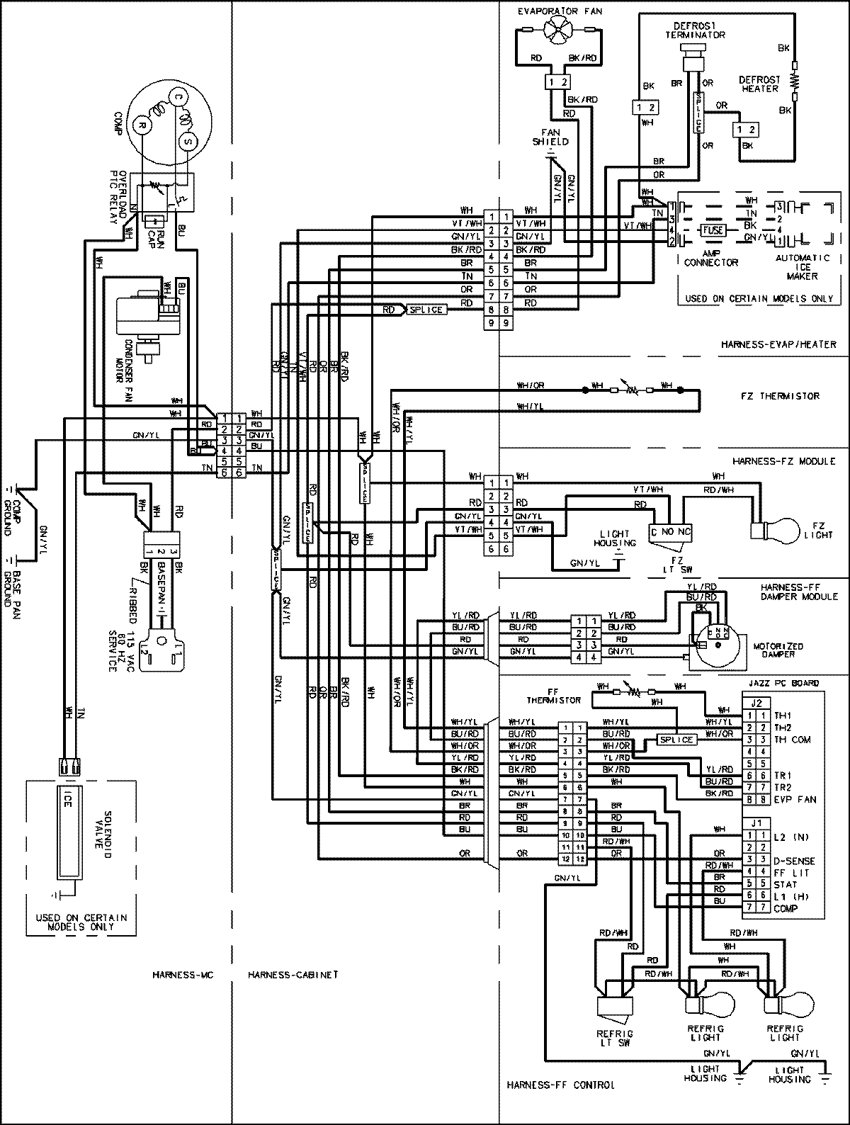
ABB222ZDEQ 11 – WIRING INFORMATIONadmin2025-04-26T08:56:08+00:00ABB222ZDEQ 11 – WIRING INFORMATION ProductsPositionProductNIMAY 15003510