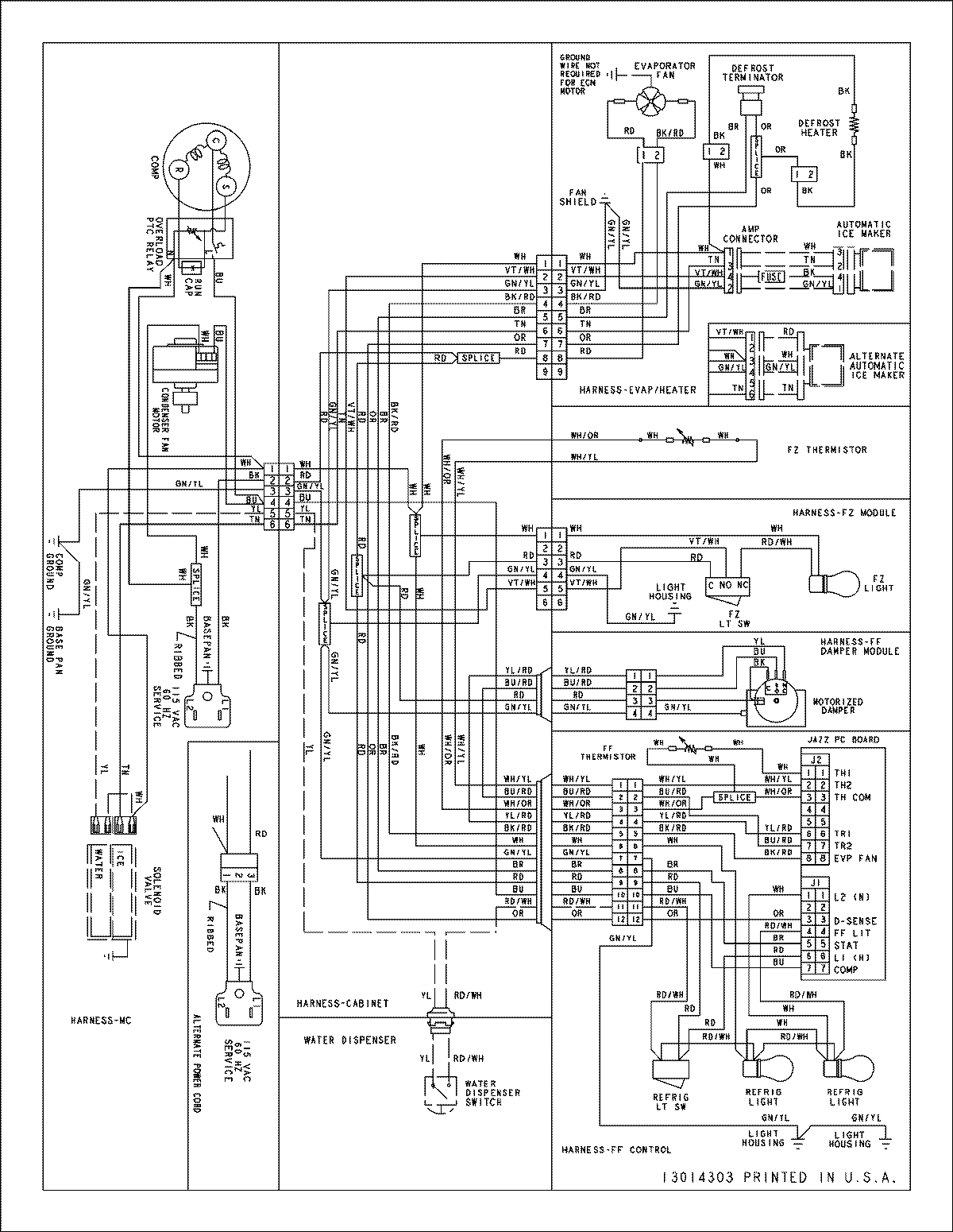
ABB2522FEB 11 – WIRING INFORMATIONadmin2025-04-26T08:56:13+00:00ABB2522FEB 11 – WIRING INFORMATION ProductsPositionProductNIMAY 15003918