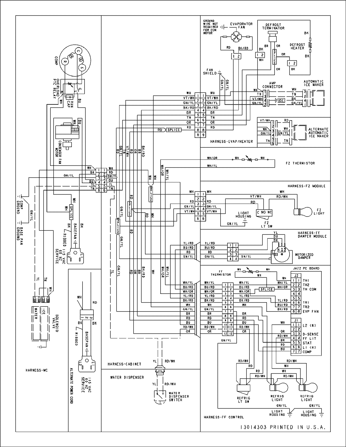
ABB2522FEQ 11 – WIRING INFORMATIONadmin2025-04-26T08:56:31+00:00ABB2522FEQ 11 – WIRING INFORMATION ProductsPositionProductNIMAY 15003918