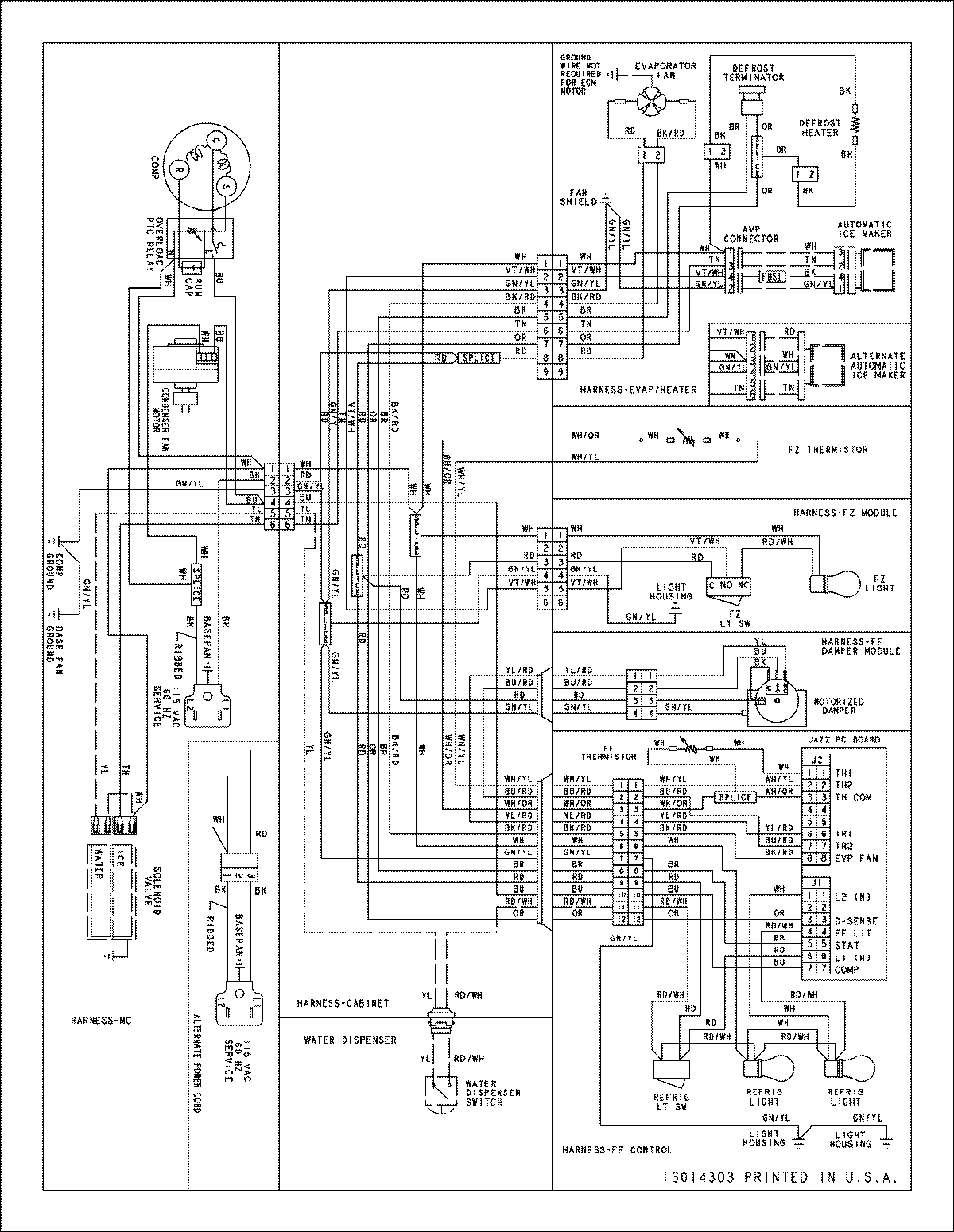
ABB2522FEW 11 – WIRING INFORMATIONadmin2025-04-26T08:55:45+00:00ABB2522FEW 11 – WIRING INFORMATION ProductsPositionProductNIMAY 15003918