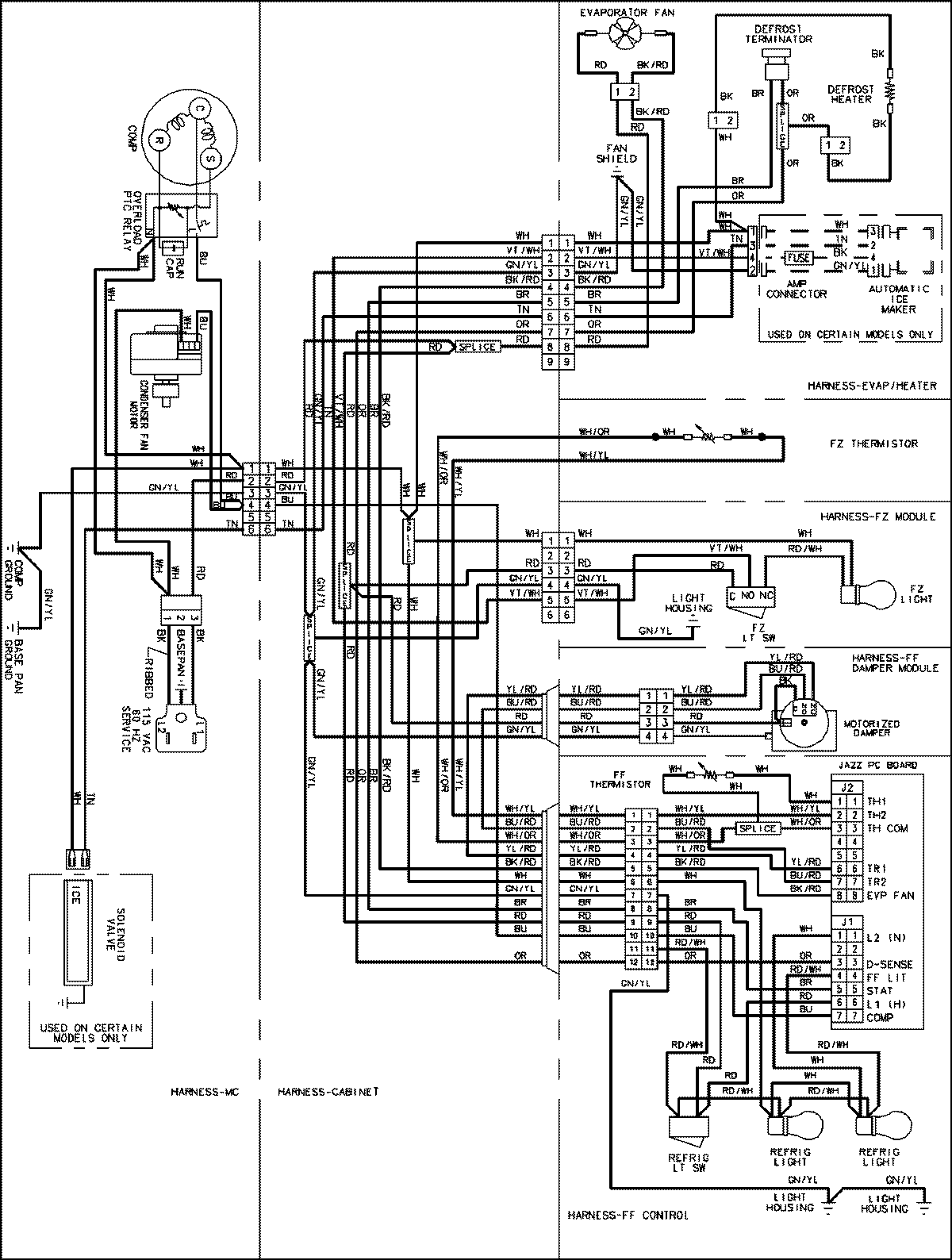
ABB2524DEQ 11 – WIRING INFORMATIONadmin2025-04-26T08:56:41+00:00ABB2524DEQ 11 – WIRING INFORMATION ProductsPositionProductNIMAY 15003510