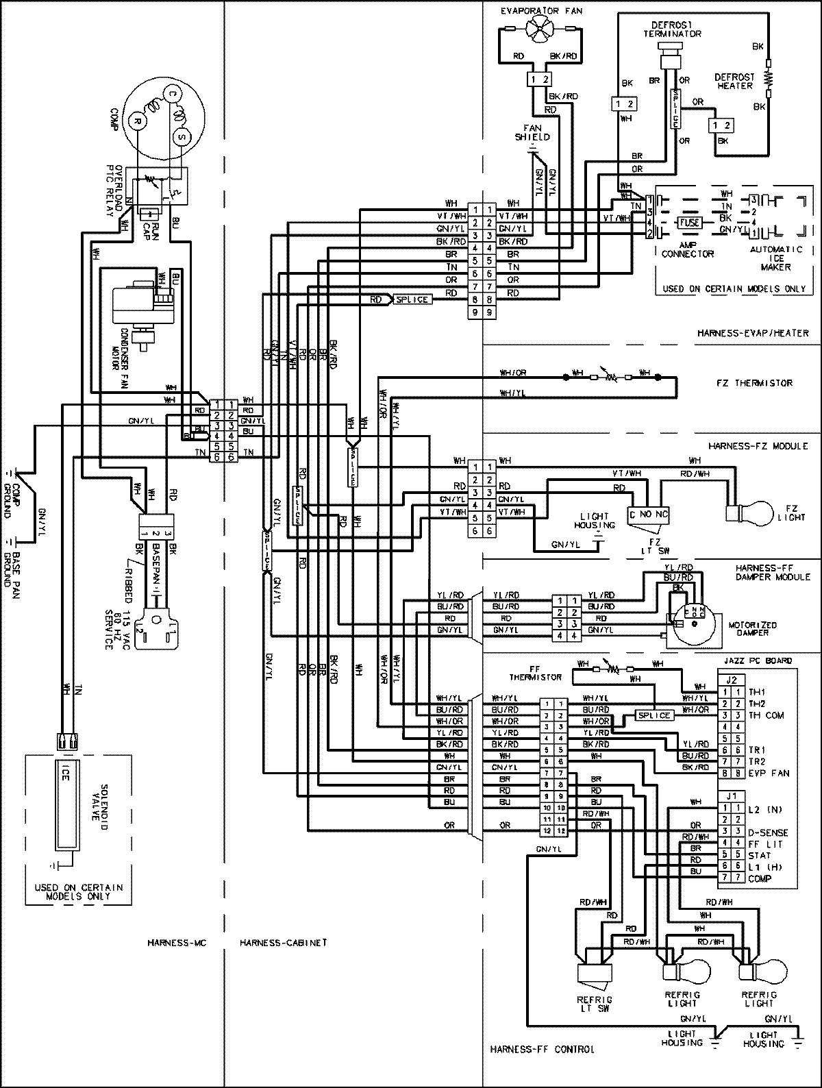
ABB2524DEW 11 – WIRING INFORMATIONadmin2025-04-26T08:56:10+00:00ABB2524DEW 11 – WIRING INFORMATION ProductsPositionProductNIMAY 15003510