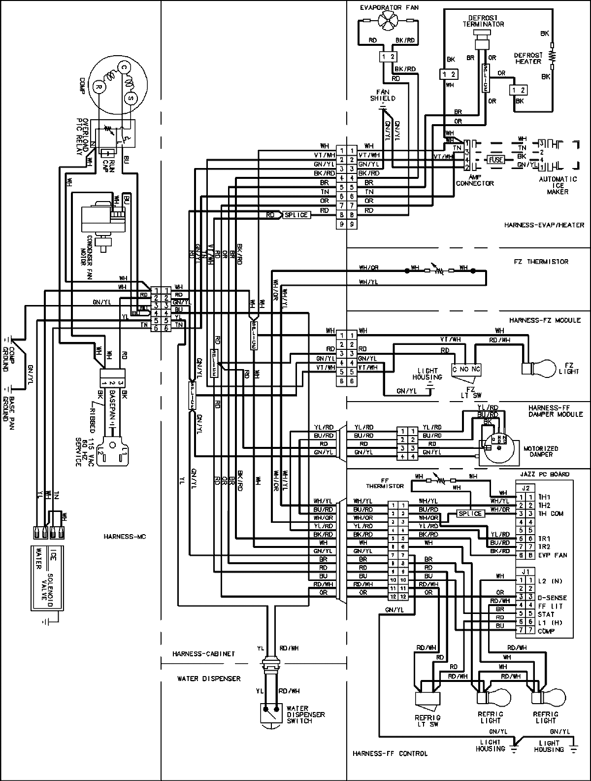
ABC2037DEQ 13 – WIRING INFORMATIONadmin2025-04-26T08:56:09+00:00ABC2037DEQ 13 – WIRING INFORMATION ProductsPositionProductNIMAY 15003918