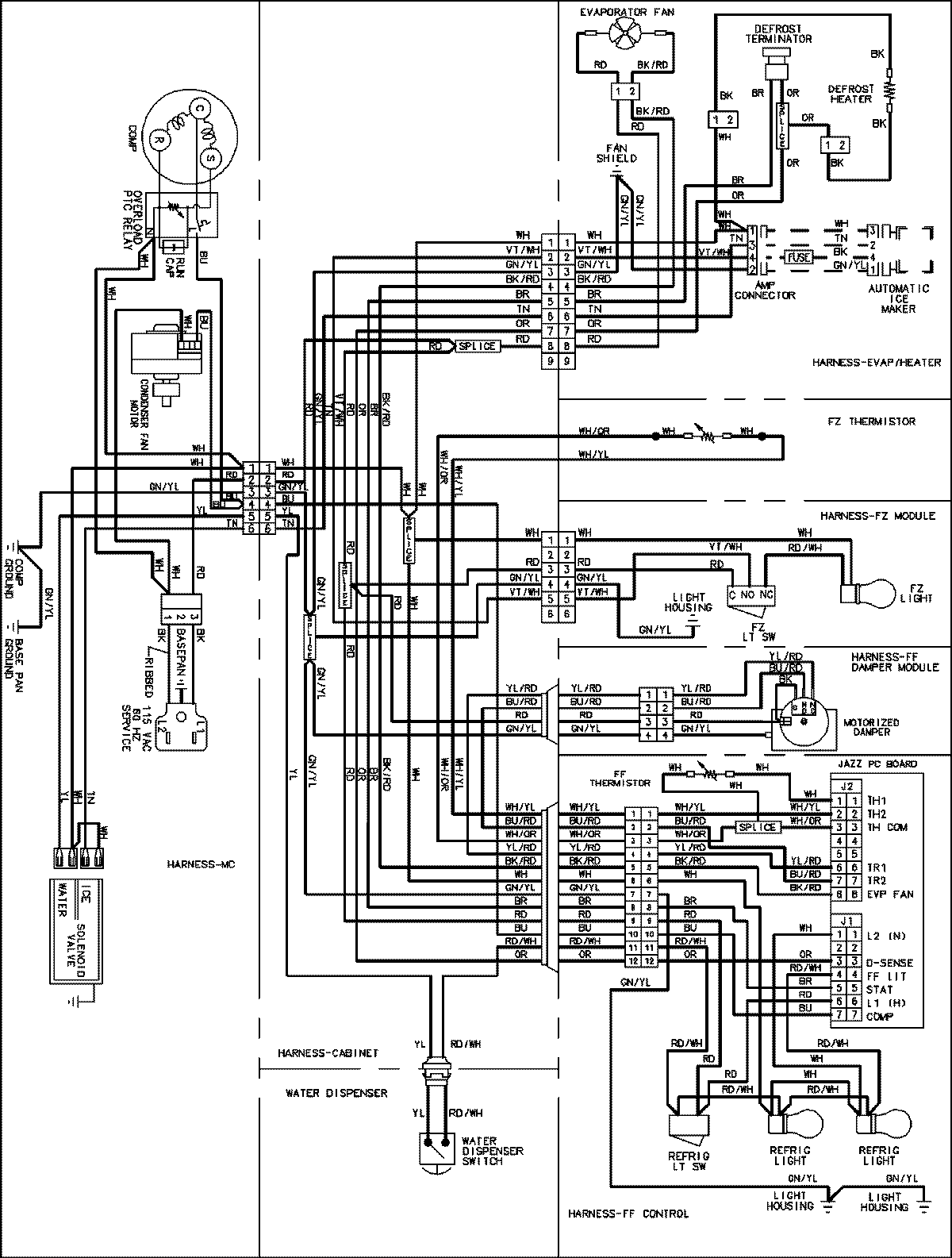
ABC2037DES 12 – WIRING INFORMATIONadmin2025-04-26T08:56:19+00:00ABC2037DES 12 – WIRING INFORMATION ProductsPositionProductNIMAY 15003551