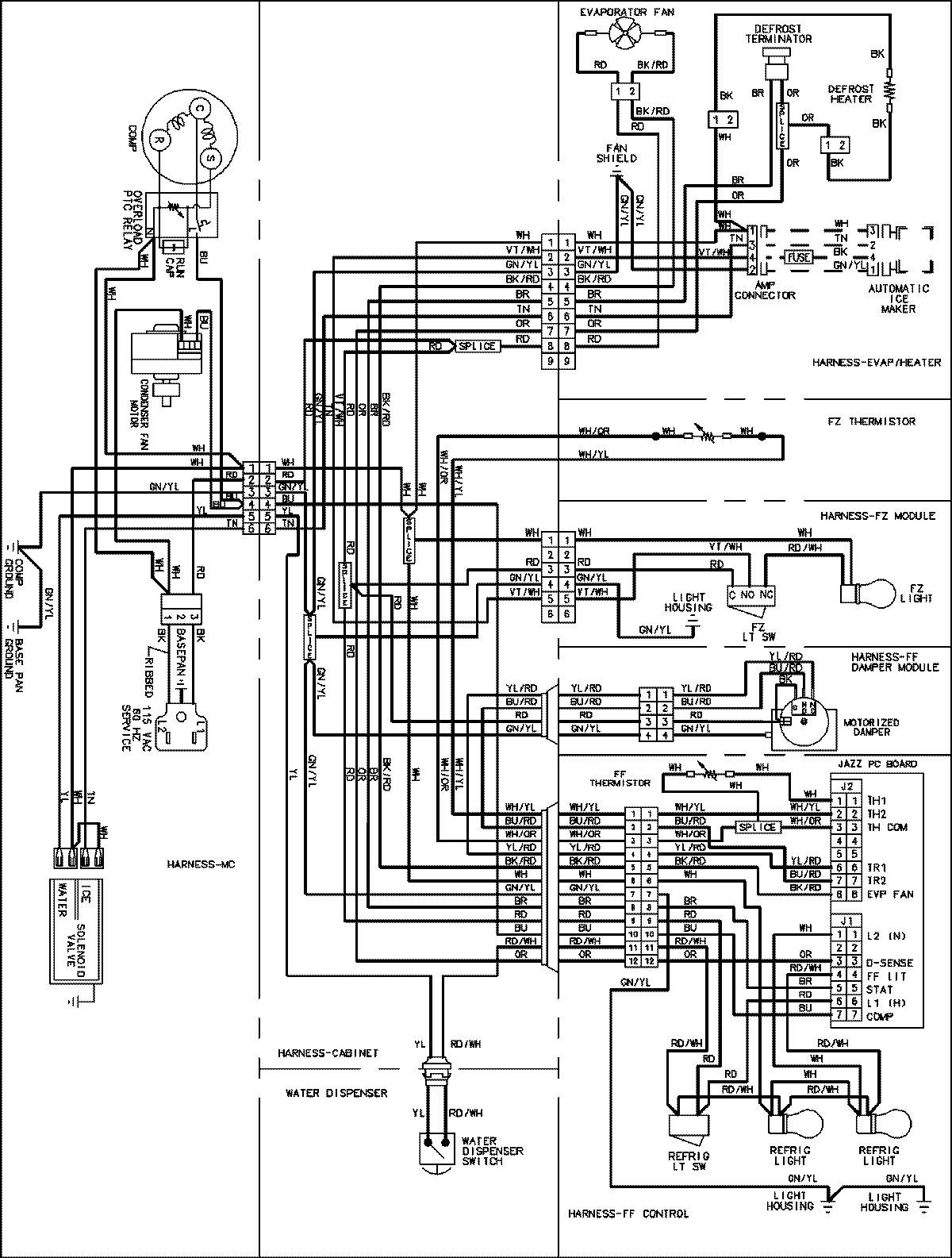
ABC2037DES 13 – WIRING INFORMATIONadmin2025-04-26T08:56:08+00:00ABC2037DES 13 – WIRING INFORMATION ProductsPositionProductNIMAY 15003918