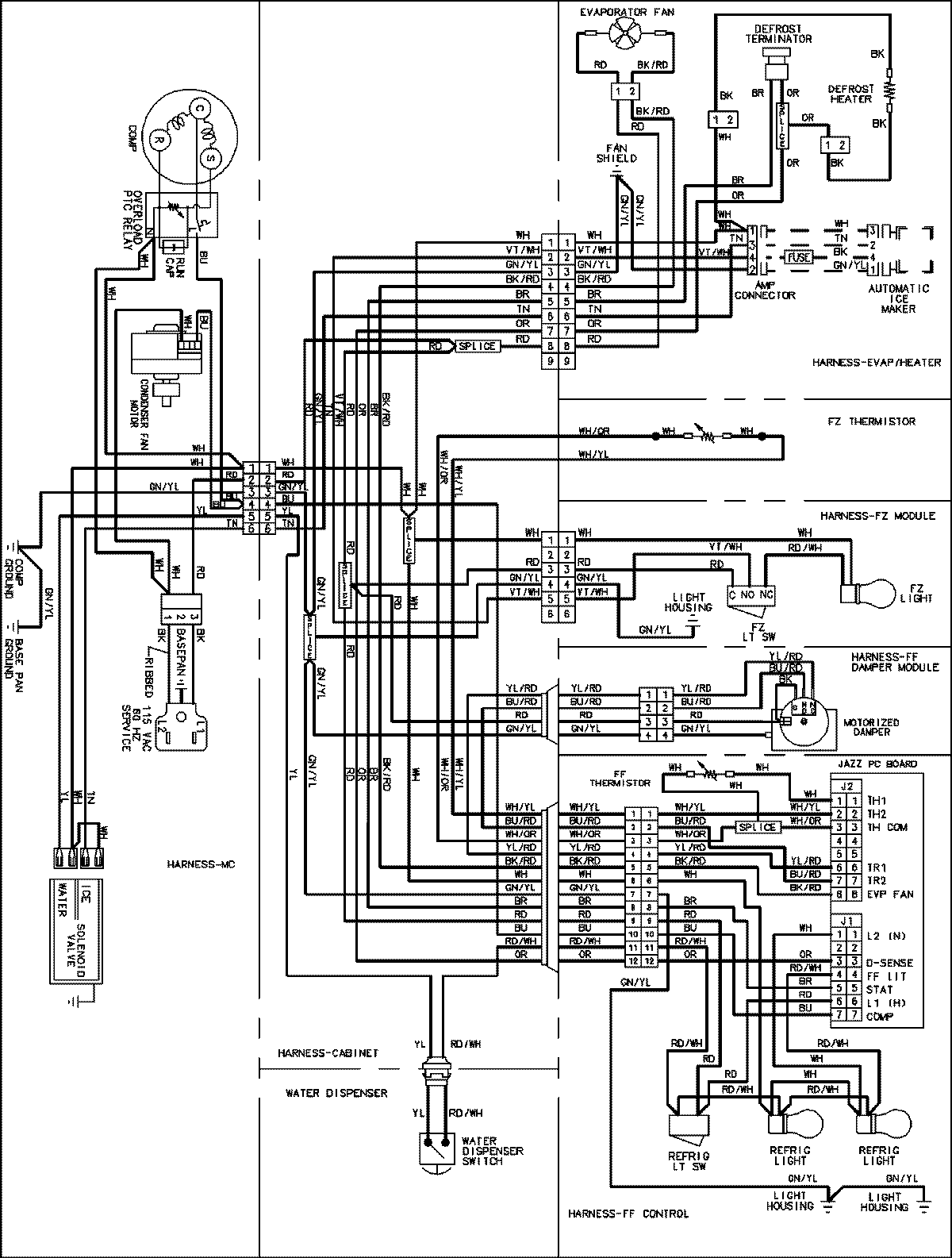
ABC2037DEW 13 – WIRING INFORMATIONadmin2025-04-26T08:55:59+00:00ABC2037DEW 13 – WIRING INFORMATION ProductsPositionProductNIMAY 15003918