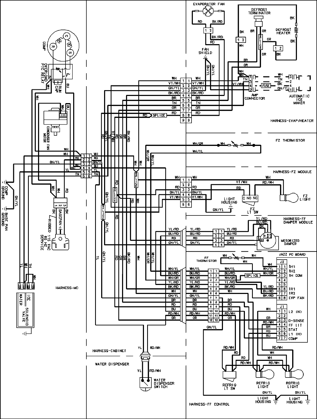
ABC2037DPS 13 – WIRING INFORMATIONadmin2025-04-26T08:55:38+00:00ABC2037DPS 13 – WIRING INFORMATION ProductsPositionProductNIMAY 15003551