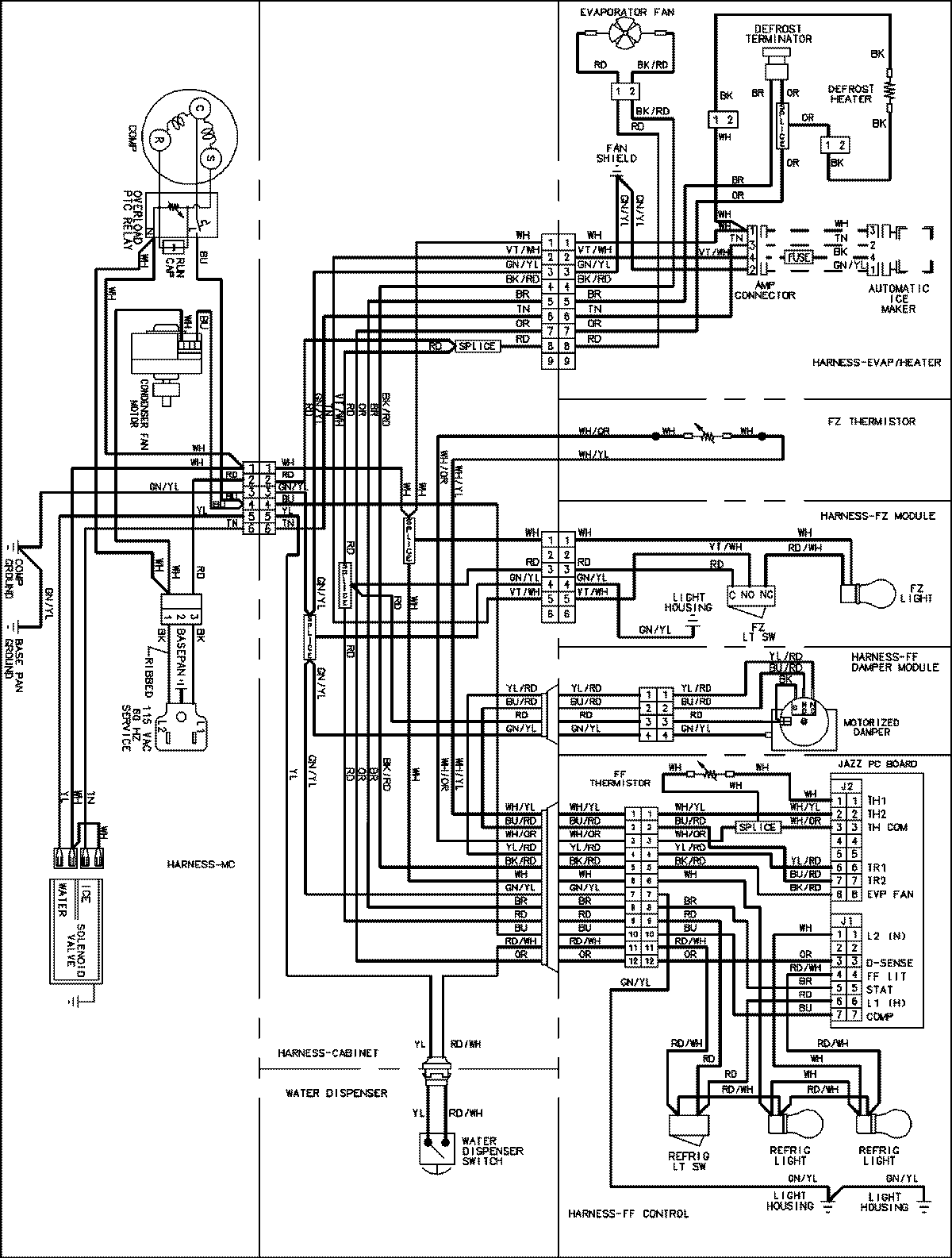
ABC2037DPS 14 – WIRING INFORMATIONadmin2025-04-26T08:55:40+00:00ABC2037DPS 14 – WIRING INFORMATION ProductsPositionProductNIMAY 15003918