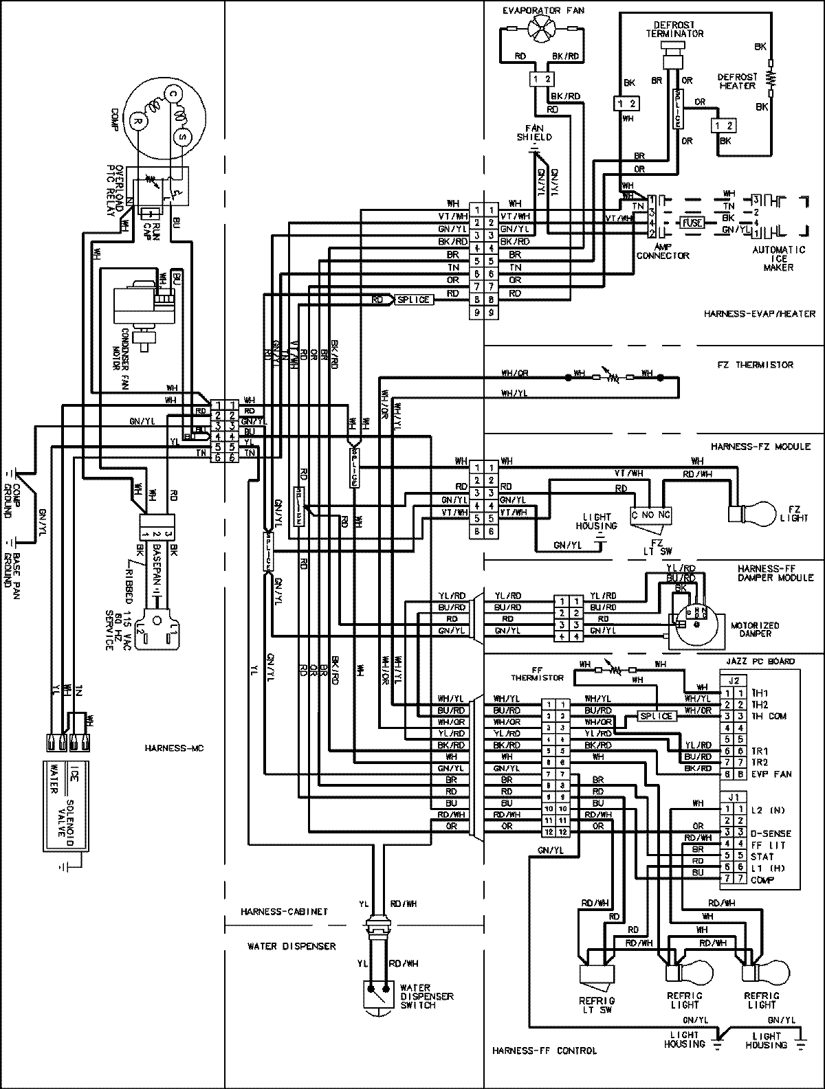
ABC2037DTB 13 – WIRING INFORMATIONadmin2025-04-26T08:56:39+00:00ABC2037DTB 13 – WIRING INFORMATION ProductsPositionProductNIMAY 15003551