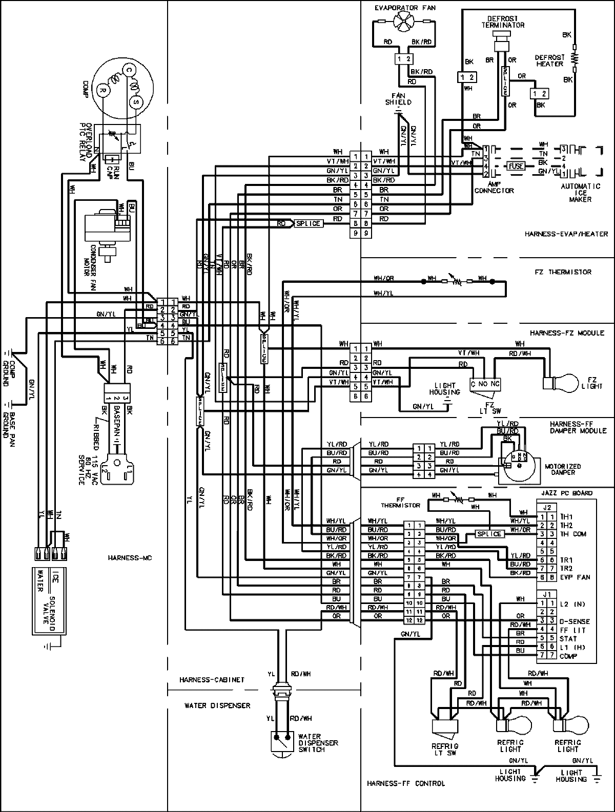
ABC2037DTS 14 – WIRING INFORMATIONadmin2025-04-26T08:55:57+00:00ABC2037DTS 14 – WIRING INFORMATION ProductsPositionProductNIMAY 15003918