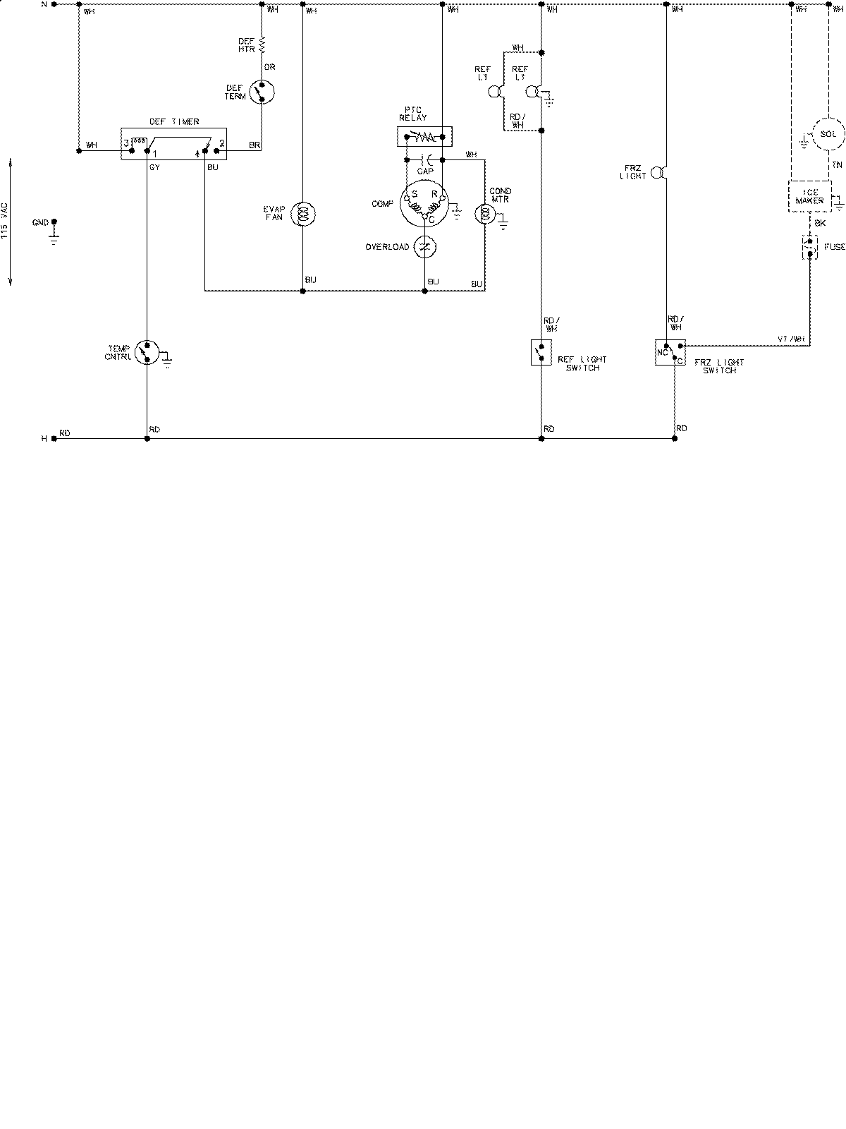
ABD2233DEB 12 – WIRING INFORMATIONadmin2025-04-26T08:56:11+00:00ABD2233DEB 12 – WIRING INFORMATION ProductsPositionProductNIMAY 15003551