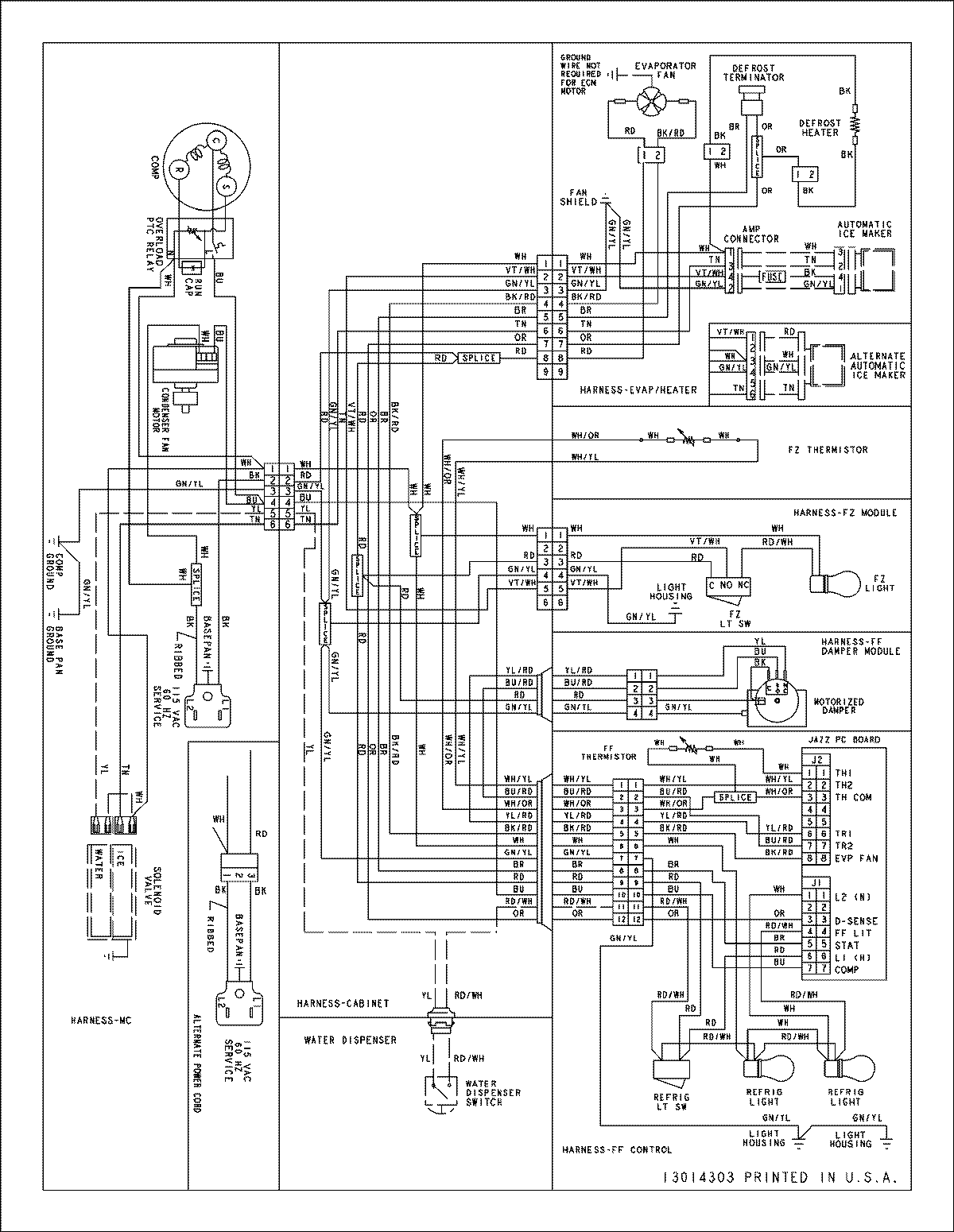
ABD2233DEB 13 – WIRING INFORMATIONadmin2025-04-26T08:56:01+00:00ABD2233DEB 13 – WIRING INFORMATION ProductsPositionProductNIMAY 15003918