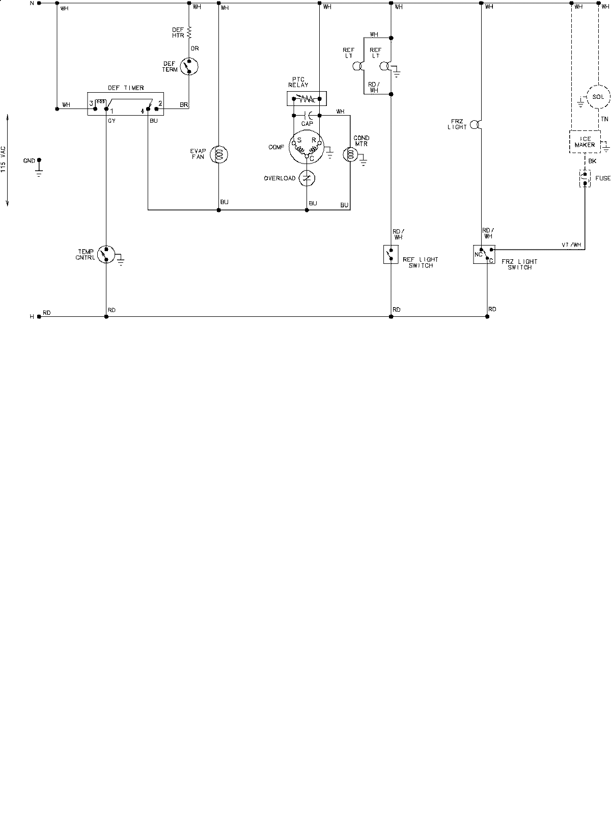
ABD2233DES 12 – WIRING INFORMATIONadmin2025-04-26T08:56:18+00:00ABD2233DES 12 – WIRING INFORMATION ProductsPositionProductNIMAY 15003551