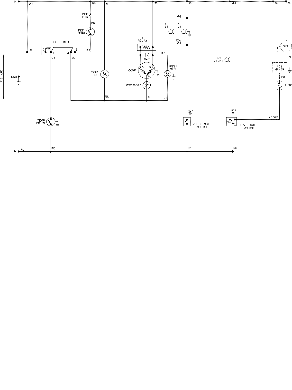
ABD2233DEW 12 – WIRING INFORMATIONadmin2025-04-26T08:56:08+00:00ABD2233DEW 12 – WIRING INFORMATION ProductsPositionProductNIMAY 15003551