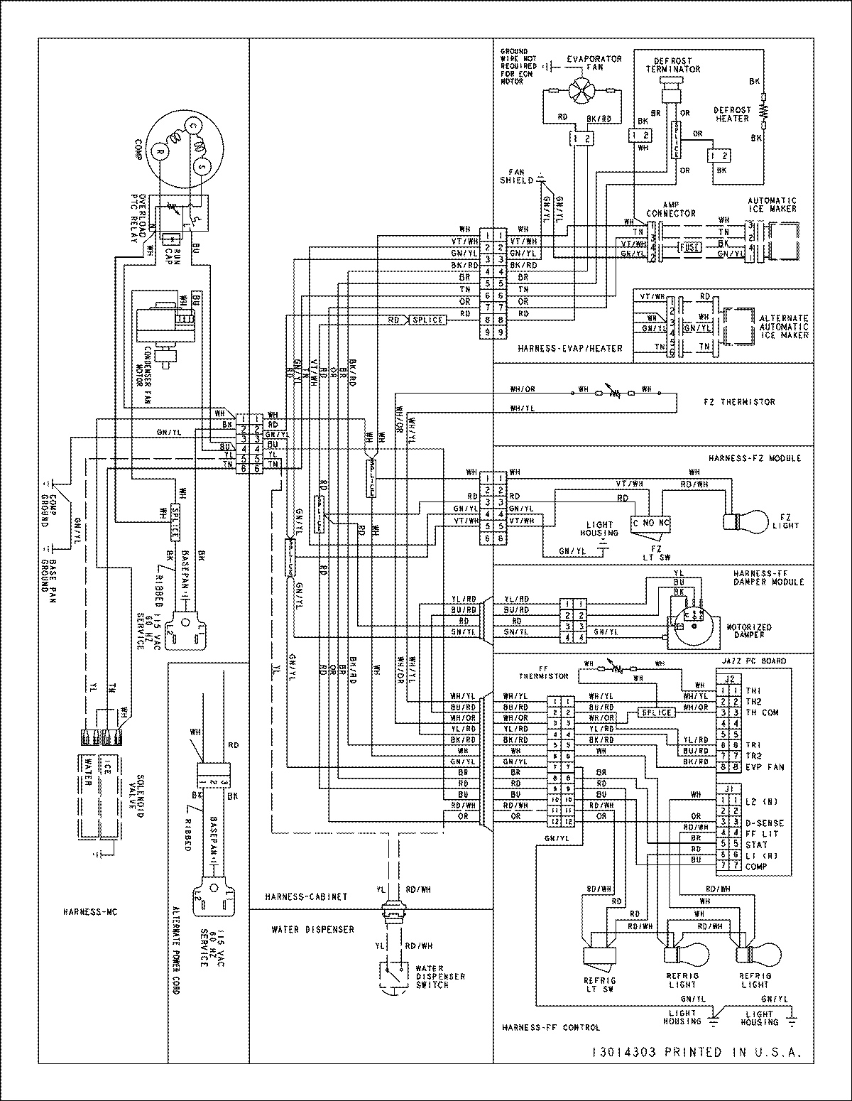
ABD2233DEW 13 – WIRING INFORMATIONadmin2025-04-26T08:56:13+00:00ABD2233DEW 13 – WIRING INFORMATION ProductsPositionProductNIMAY 15003918