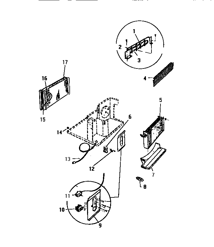
AC06EH7Z1 03 – CONTROL PARTSadmin2025-04-26T08:42:27+00:00AC06EH7Z1 03 – CONTROL PARTS ProductsPositionProduct1HEATER ASSEMBLY2WCI 846A898H033WCI 846A915G154WCI 684B752H025WCI A4083046CAPACITORS COMP.7WCI 2626D21H018WCI A3100039WCI A40511210SWITCH, SELECTOR11CONTROL TEMPERATURE12STRAP CAPACITOR13WCI A43500214WCI C31321815WCI A26530116WCI A11210417WCI A406504