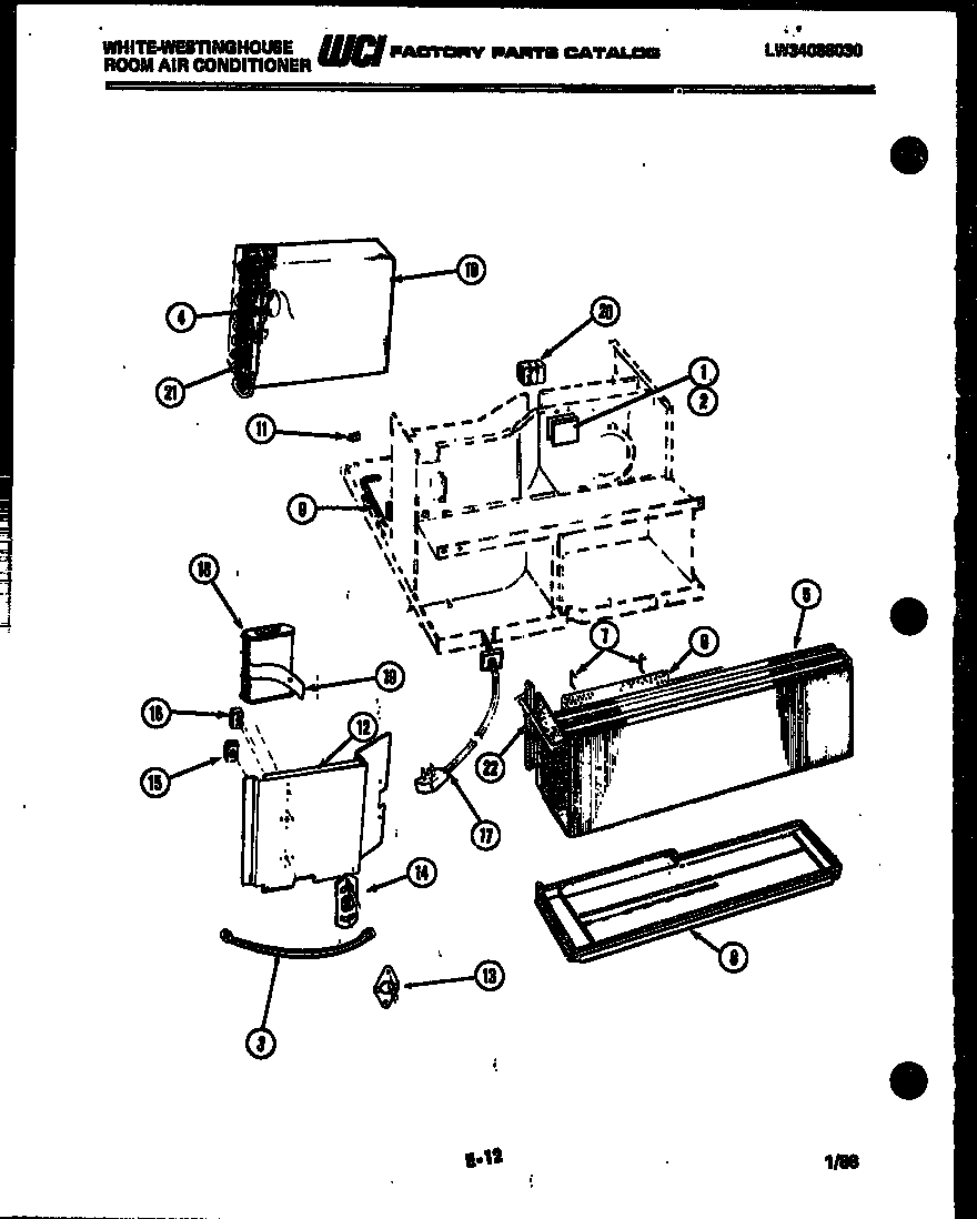
AC079K7B2 02 – ELECTRICAL PARTSadmin2025-04-26T08:42:17+00:00AC079K7B2 02 – ELECTRICAL PARTS ProductsPositionProduct1WCI 2627D77H022BRKT-ACTUATOR3WCI A3508034CABLE DOOR VENT5WCI A1121046WCI A4093077WCI A4077038WCI C3132189WCI 2626D21H0310WCI A43500411WCI 301611112CONTROL13COVER-PLC BOARD14WCI A31000315WCI A12100216HOUSING-RECEPTACLE17WCI A32721718WCI A11200419WCI A265301