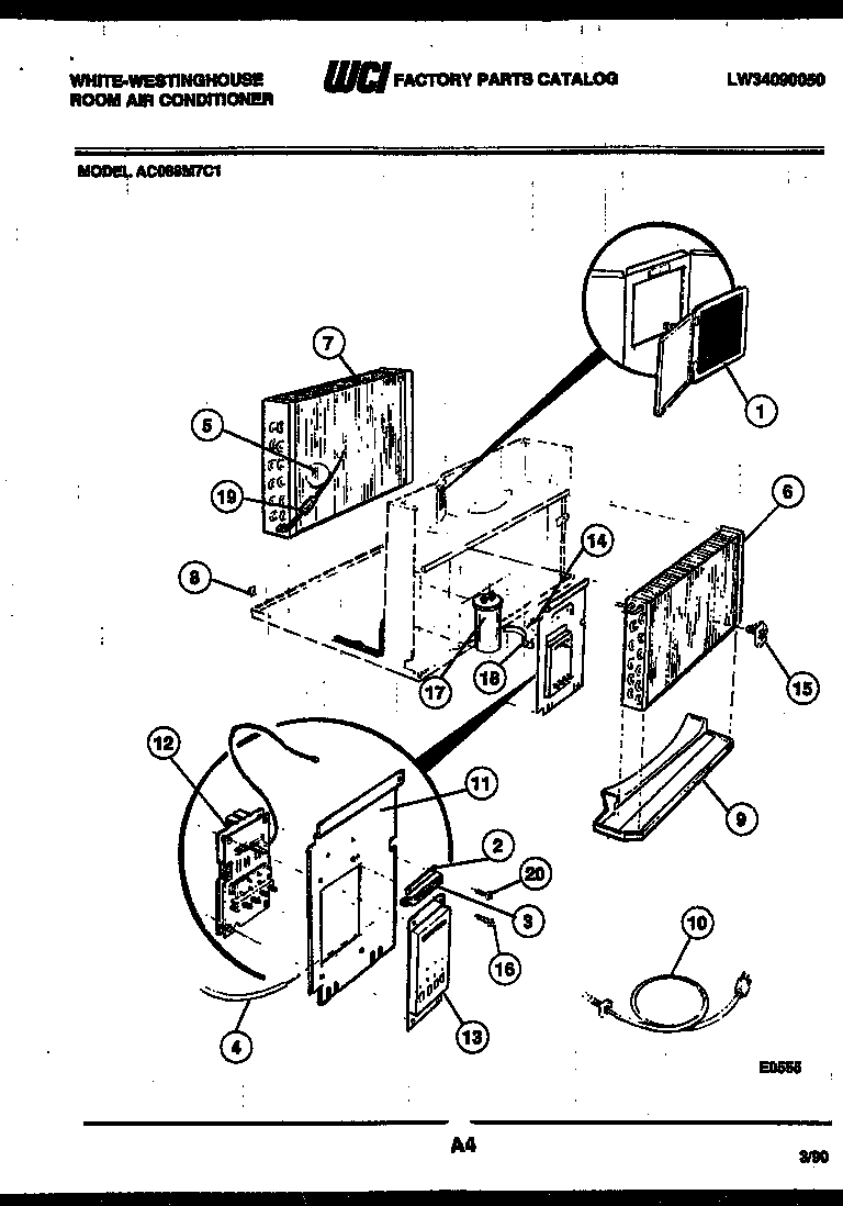
AC088M7C1 03 – ELECTRICAL PARTSadmin2025-04-26T08:42:36+00:00AC088M7C1 03 – ELECTRICAL PARTS ProductsPositionProduct*28210WCI 32032071WCI 53030124552BRACKET-ACTUATOR3ARM-ACTUATOR (NON-ILLUSTRATED)4CABLE-DOOR VENT5WCI 30190256WCI 32030747WCI 53032090998WCI 53032091369TRAY-EVAPORATOR10WCI 300237611WCI 301611112AHOUSING-RECEPTACLE12WCI 530320887613WCI 530801713914SCREW CAPACITOR15WCI 320483816WCI 0801622017CAPACITOR-DUAL18STRAP-CAPACITOR195300265301 Frigidaire Air Conditioner P1 Filter Drier20WCI 5303017342