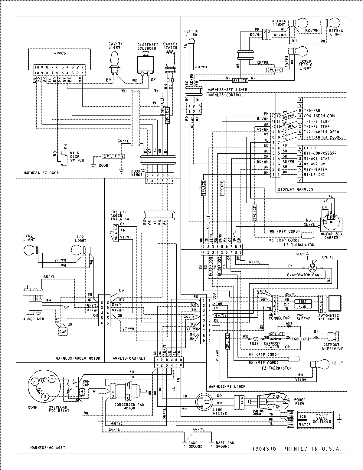
AC2224GEKS 18 – WIRING INFORMATION

AC2224GEKS 18 – WIRING INFORMATION

Products

PositionProduct
NIMAY 15003636
NIMAY 15003970