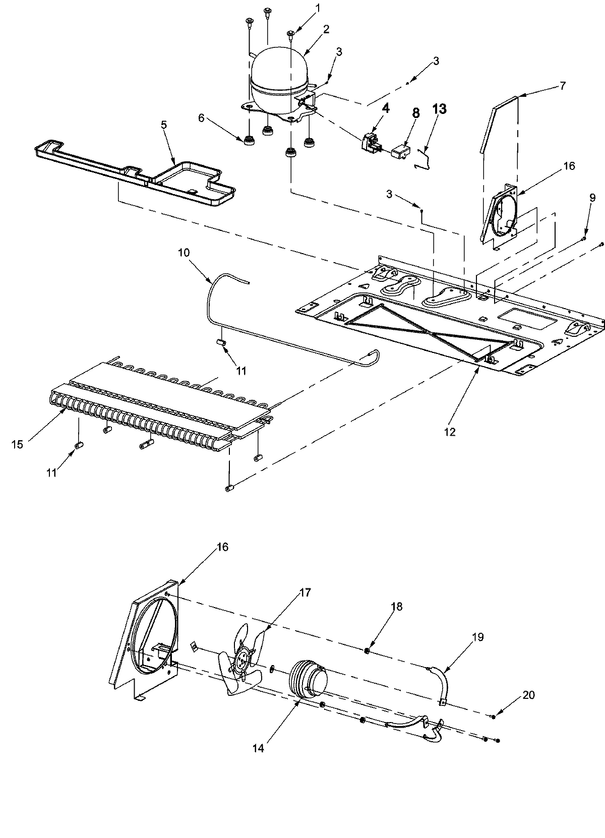
AC2224GEKW 02 – COMPRESSORadmin2025-04-26T08:56:36+00:00AC2224GEKW 02 – COMPRESSOR ProductsPositionProduct1MAY M02215232MAY 670050283MAY M02316044OVERLOAD/RELAY CAPACITOR ASSY4MAY 67004815667003493 Whirlpool Refrigerator Compressor Grommet7WP854334 Whirlpool Air Conditioner Sealing Strip8MAY 670028158MAY 670071629MAY M023861610MAY 670047001167005680 Whirlpool Refrigerator Condenser Grommet12MAY 6700151213MAY 1257680114Motor, Condenser15MAY 6700223515WP67006131 Whirlpool Refrigerator Condenser16MAY 6700666116MAY 1268710117WP12587601 Whirlpool Refrigerator Condenser Blade18GROMMET, BRACKET19Bracket, Motor (3)20Screw (3)21MAY 6700506222MAY 6700511622MAY 12975301