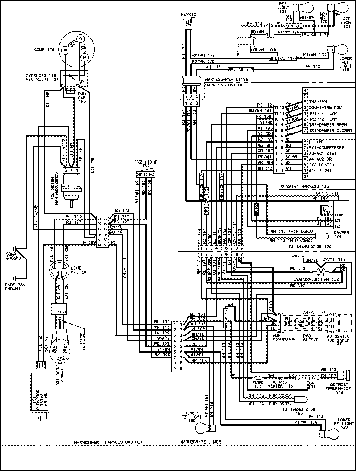
AC2224PEKB 15 – WIRING INFORMATIONadmin2025-04-26T08:56:34+00:00AC2224PEKB 15 – WIRING INFORMATION ProductsPositionProductNIMAY 15003651