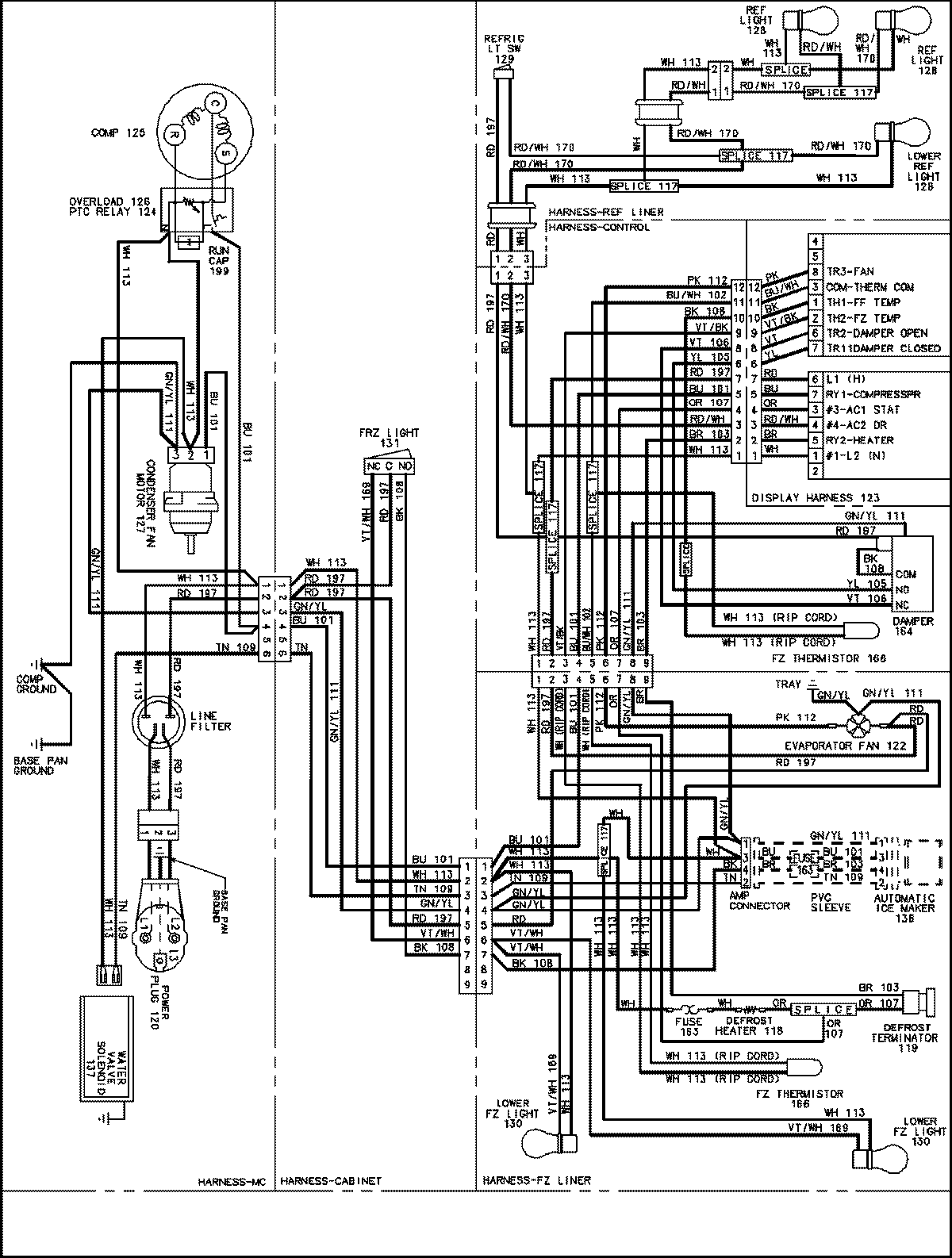
AC2224PEKW 15 – WIRING INFORMATIONadmin2025-04-26T08:56:26+00:00AC2224PEKW 15 – WIRING INFORMATION ProductsPositionProductNIMAY 15003651