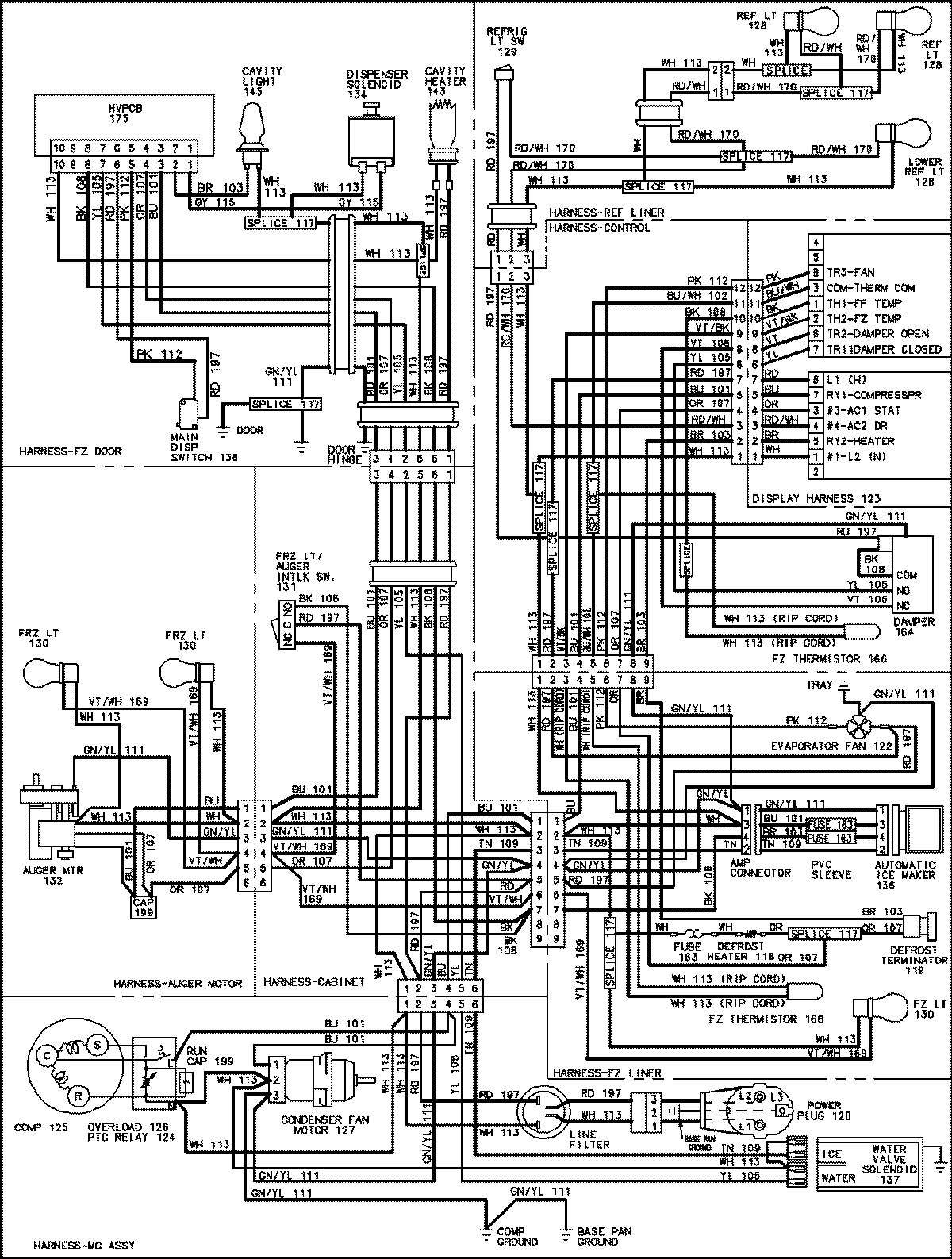
AC2225GEKS 18 – WIRING INFORMATIONadmin2025-04-26T08:56:22+00:00AC2225GEKS 18 – WIRING INFORMATION ProductsPositionProductNIMAY 15003636