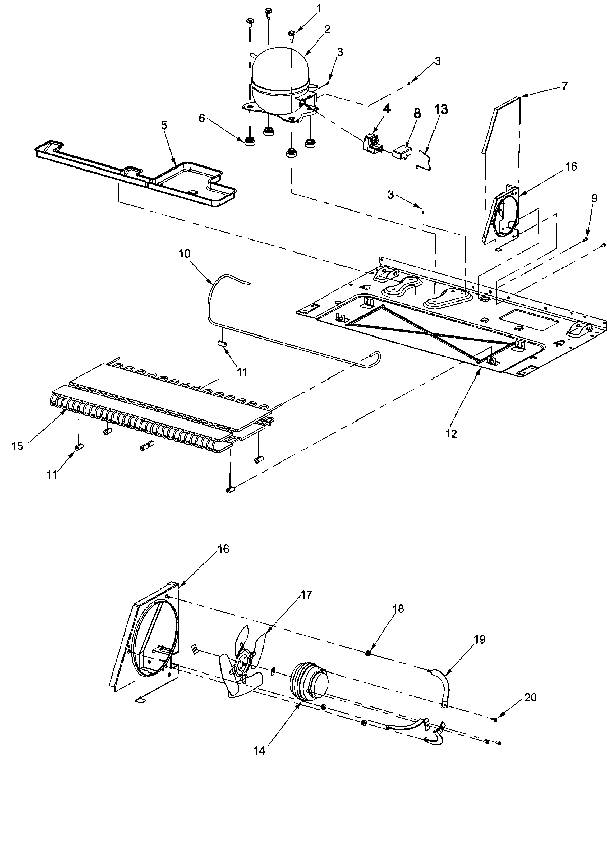
AC2225GEKW 02 – COMPRESSORadmin2025-04-26T08:56:36+00:00AC2225GEKW 02 – COMPRESSOR ProductsPositionProductNIMAY 67005116NIMAY 670050621MAY M02215232MAY 670050283MAY M02316044MAY 670048155MAY 67004744667003493 Whirlpool Refrigerator Compressor Grommet7WP854334 Whirlpool Air Conditioner Sealing Strip8MAY 670028159MAY M023861610MAY 670047001167005680 Whirlpool Refrigerator Condenser Grommet12MAY 6700151213MAY 6700468714Motor, Condenser15MAY 6700223515WP67006131 Whirlpool Refrigerator Condenser16MAY 1268710117WP12587601 Whirlpool Refrigerator Condenser Blade18GROMMET, BRACKET19Bracket, Motor (3)20Screw (3)