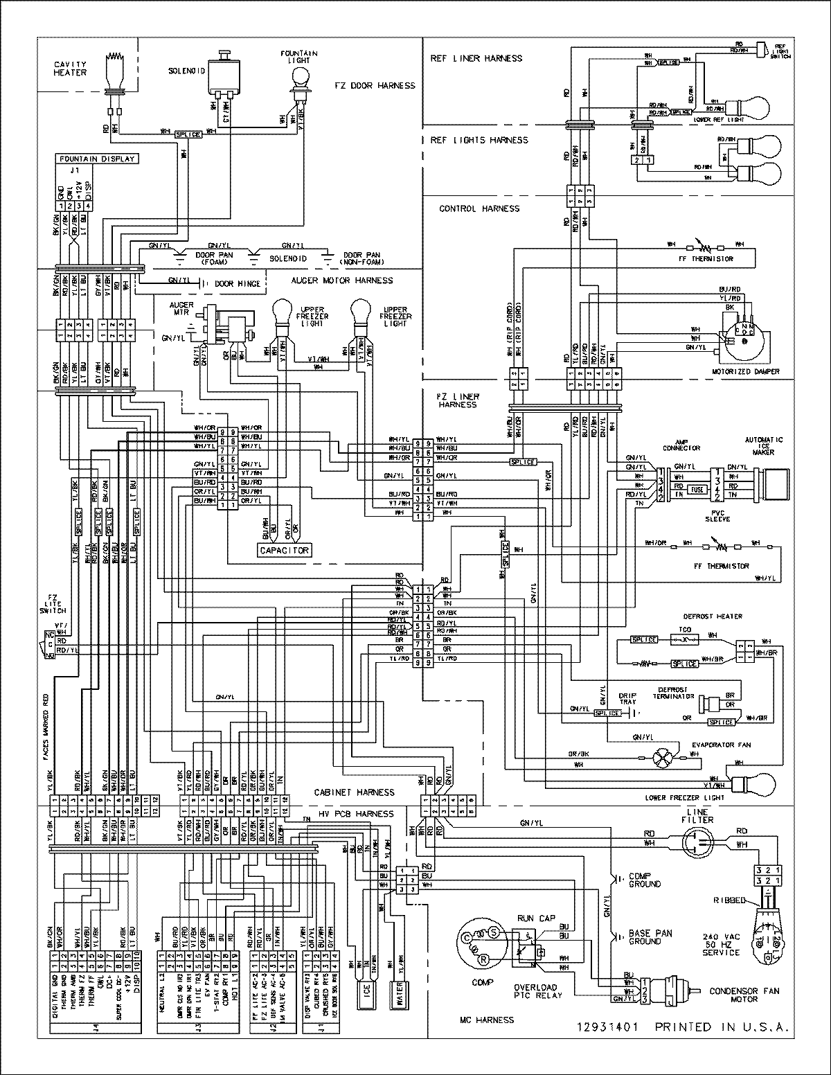
AC2228HEKB 17 – WIRING INFORMATIONadmin2025-04-26T08:56:23+00:00AC2228HEKB 17 – WIRING INFORMATION ProductsPositionProductNIMAY 15003727