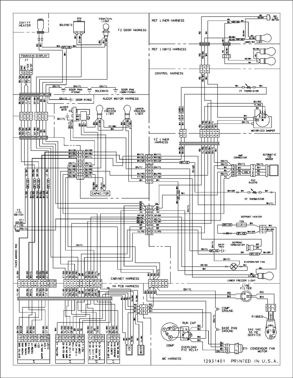
AC2228HEKW 18 – WIRING INFORMATIONadmin2025-04-26T08:56:35+00:00AC2228HEKW 18 – WIRING INFORMATION ProductsPositionProductNIMAY 15003727