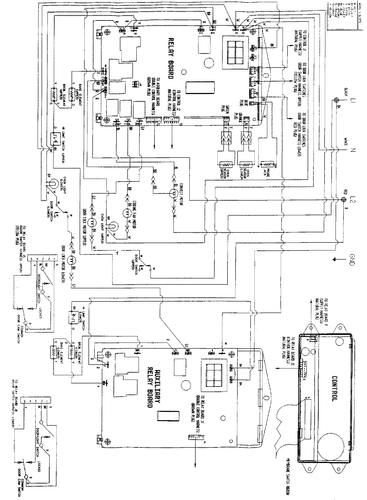
ACB6260AB 06 – WIRING INFORMATIONadmin2025-04-26T09:08:39+00:00ACB6260AB 06 – WIRING INFORMATION ProductsPositionProductNIMAY 15001719