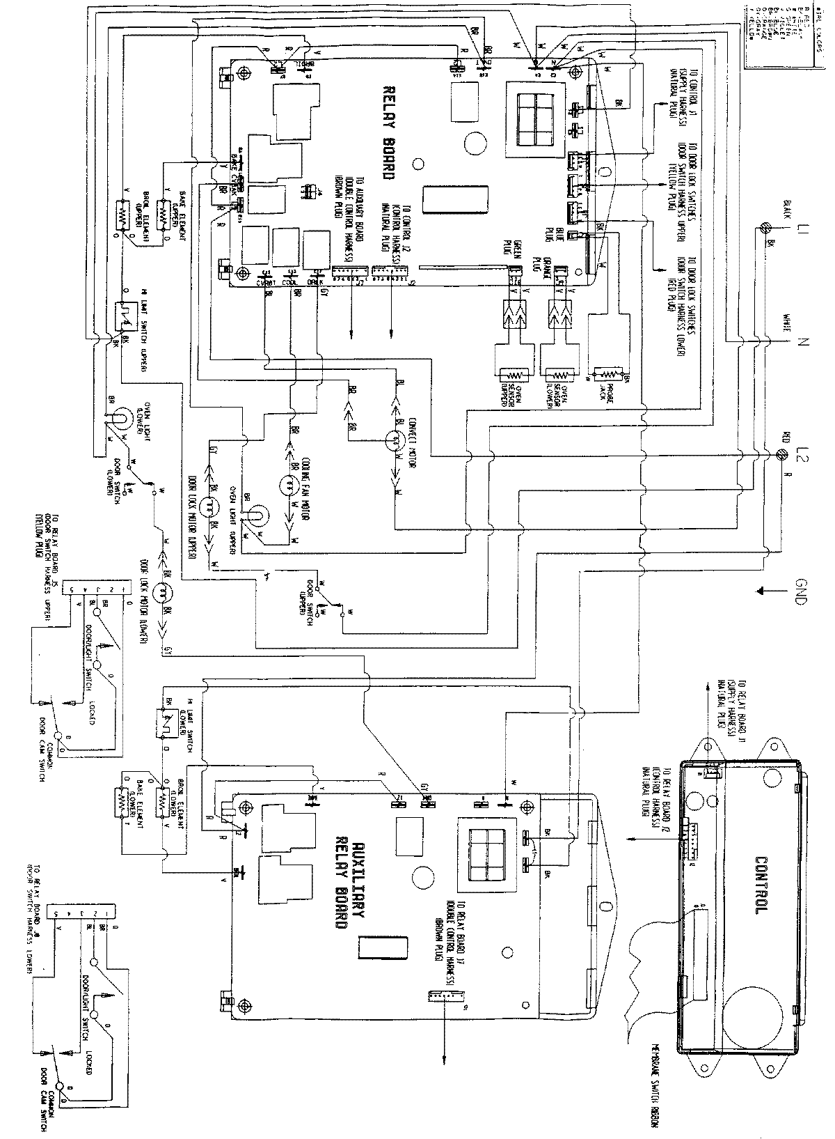
ACB6260AW 06 – WIRING INFORMATIONadmin2025-04-26T09:08:35+00:00ACB6260AW 06 – WIRING INFORMATION ProductsPositionProductNIMAY 15001719