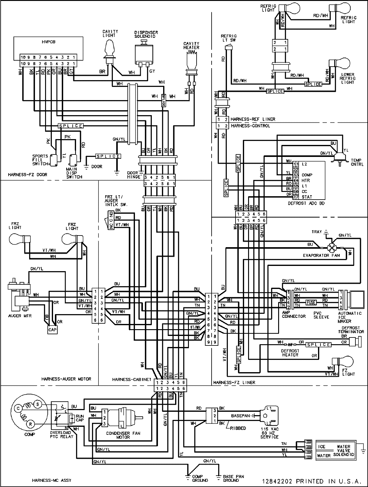
ACD2232HRW 19 – WIRING INFORMATIONadmin2025-04-26T09:08:02+00:00ACD2232HRW 19 – WIRING INFORMATION ProductsPositionProductNIMAY 15003528