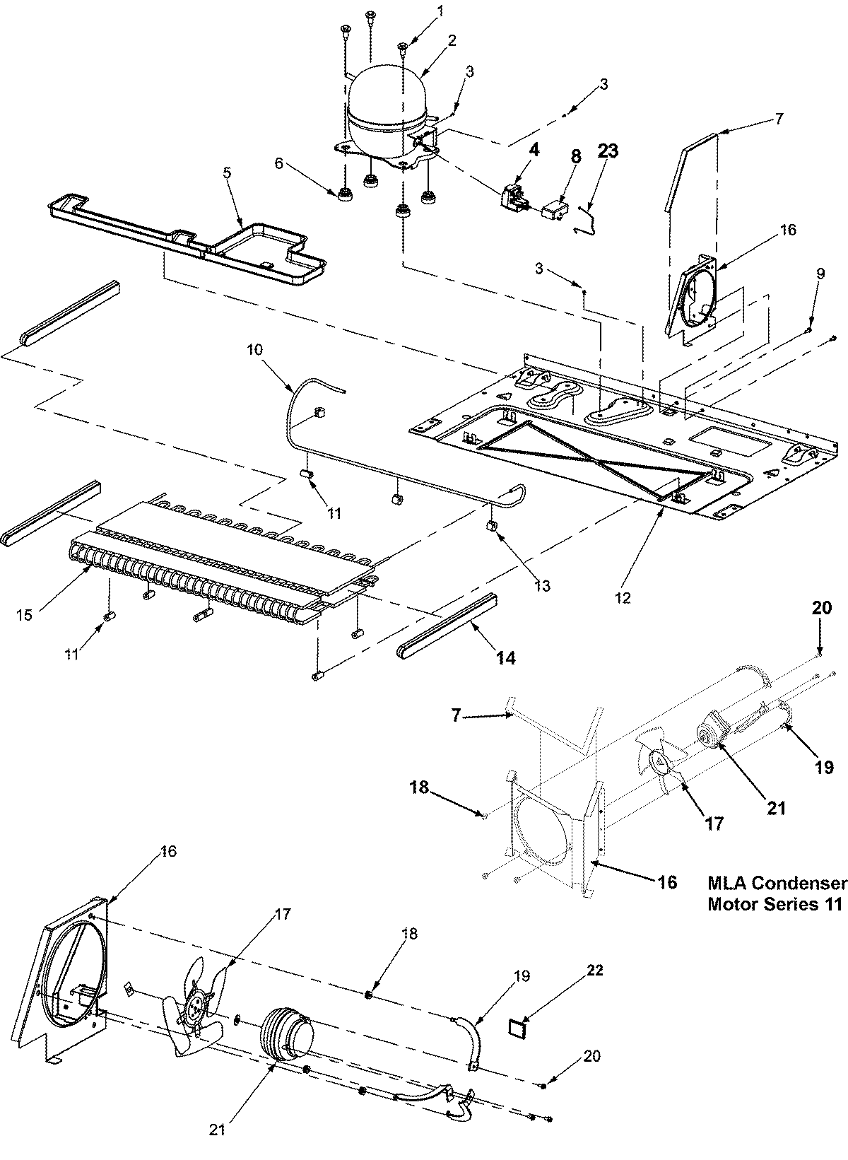
ACD2234HRB 02 – COMPRESSORadmin2025-04-26T09:09:43+00:00ACD2234HRB 02 – COMPRESSOR ProductsPositionProductNI67004955 Whirlpool Refrigerator MC HarnessNIMAY 670043241MAY 670064321MAY M02215232W10160407 Whirlpool Refrigerator Compressor2MAY 670030842MAY 670055633MAY M02316043MAY 670064334W10613606 Whirlpool Refrigerator Start Device Relay Overload5WP12579803 Whirlpool Refrigerator Drain Pan667003493 Whirlpool Refrigerator Compressor Grommet7WP854334 Whirlpool Air Conditioner Sealing Strip8CAPACITOR9Screw (10)9MAY M023861610MAY 6700223610MAY 670047001167005680 Whirlpool Refrigerator Condenser Grommet12MAY 6700151212MAY 6700588913MAY 1069960114MAY 6700223515WP67006131 Whirlpool Refrigerator Condenser15MAY 6700319516SHROUD, CONDENSER FAN17W10156818 Whirlpool Refrigerator Fan Blade17WP12587601 Whirlpool Refrigerator Condenser Blade18GROMMET, BRACKET19Bracket, Motor (3)19MAY 6700495320Screw (3)20WP67004954 Whirlpool Refrigerator Screw21MAY 6700443221833697 Whirlpool Condenser Fan Motor22MAY 6700109623MAY 1257680123MAY 67007052