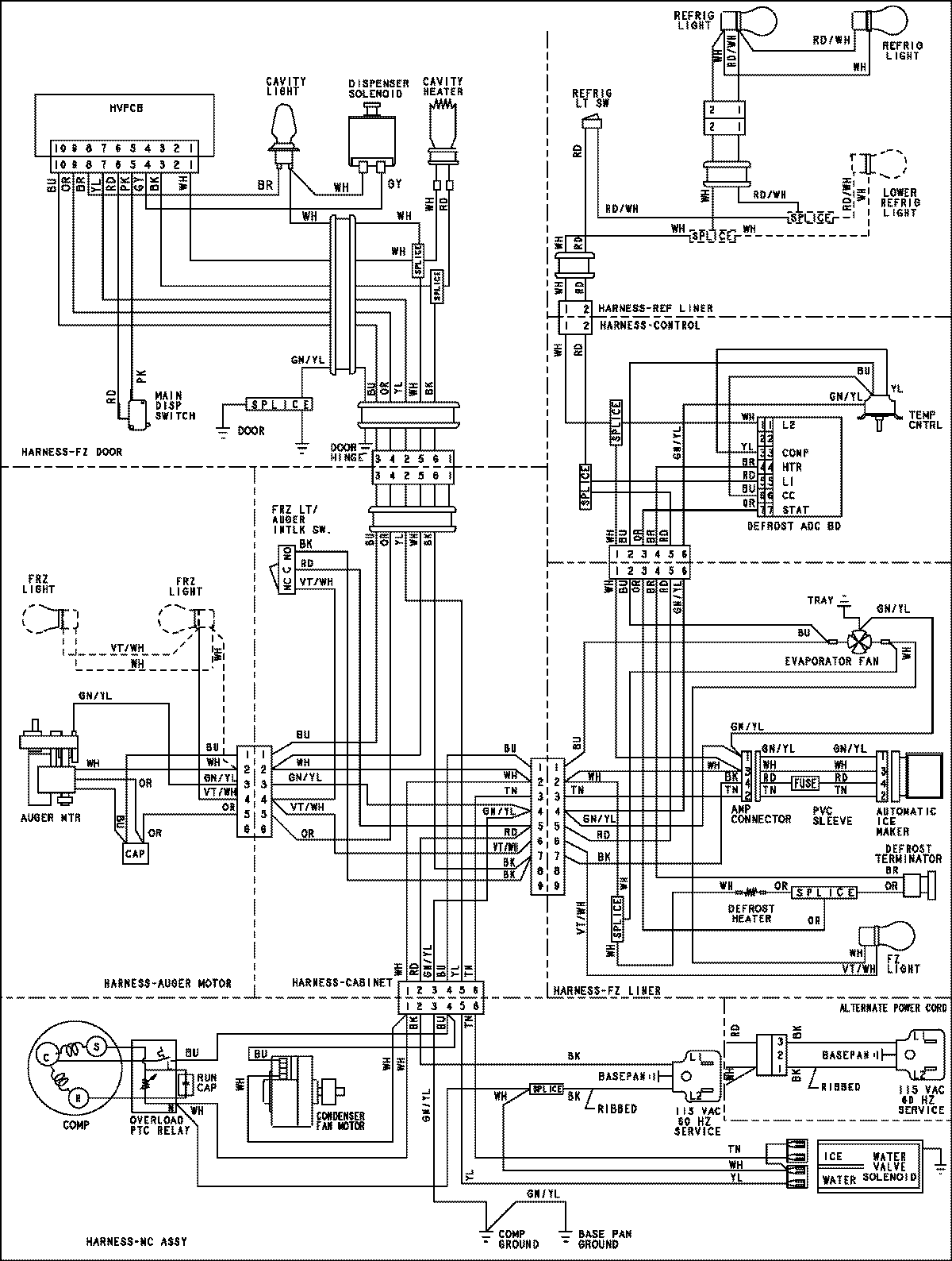
ACD2234HRB 22 – WIRING INFORMATION (SERIES 13)admin2025-04-26T09:08:11+00:00ACD2234HRB 22 – WIRING INFORMATION (SERIES 13) ProductsPositionProductNIMAY 15003928