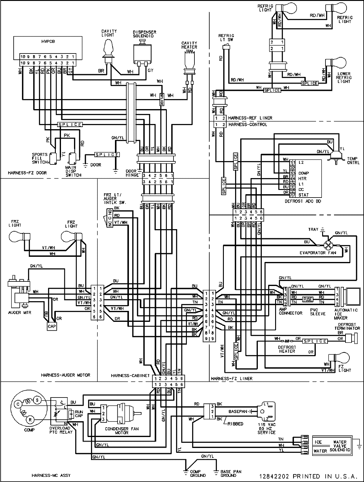
ACD2234HRW 21 – WIRING INFORMATIONadmin2025-04-26T09:10:39+00:00ACD2234HRW 21 – WIRING INFORMATION ProductsPositionProductNIMAY 15003528