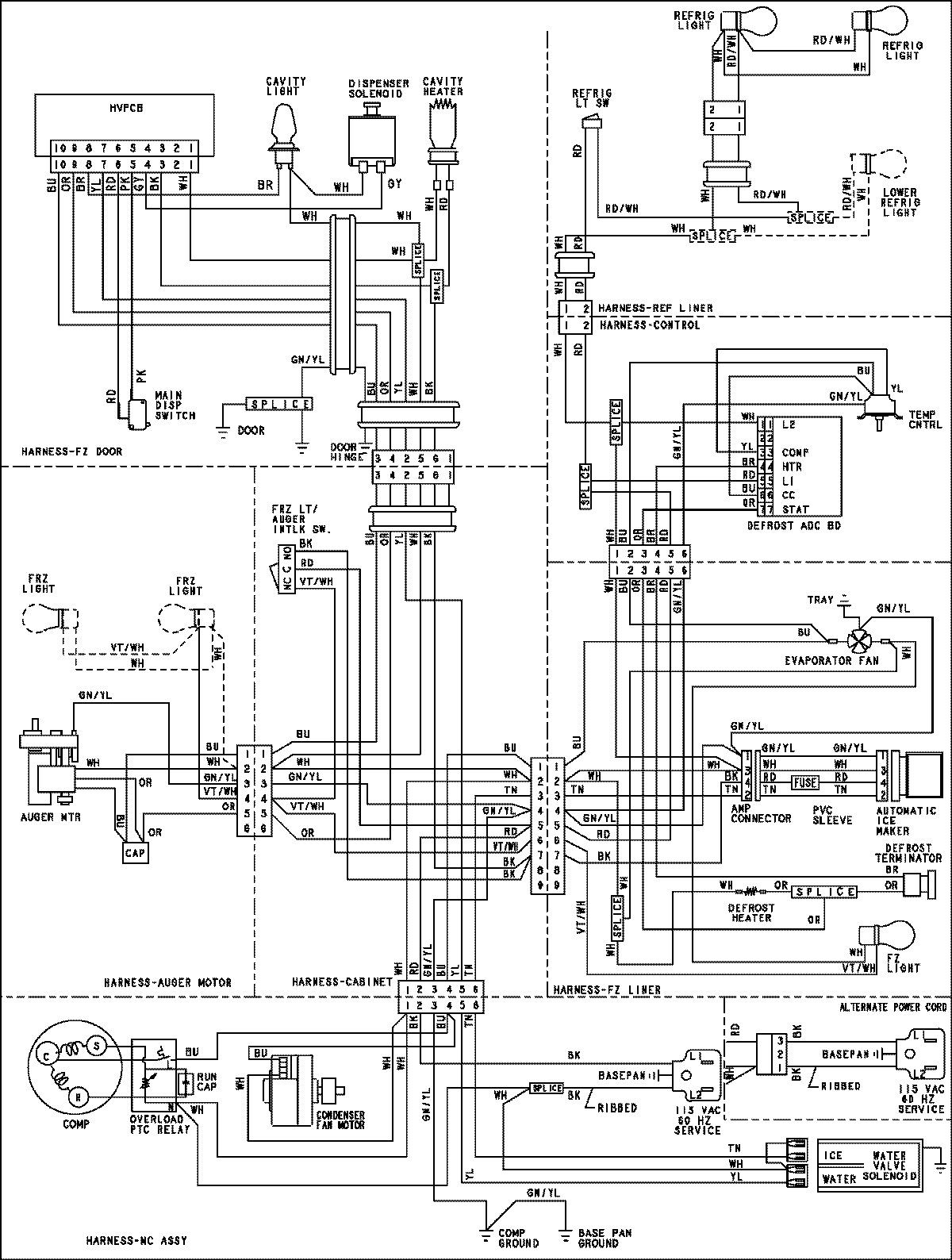
ACD2234HRW 22 – WIRING INFORMATION (SERIES 13)admin2025-04-26T09:11:24+00:00ACD2234HRW 22 – WIRING INFORMATION (SERIES 13) ProductsPositionProductNIMAY 15003928