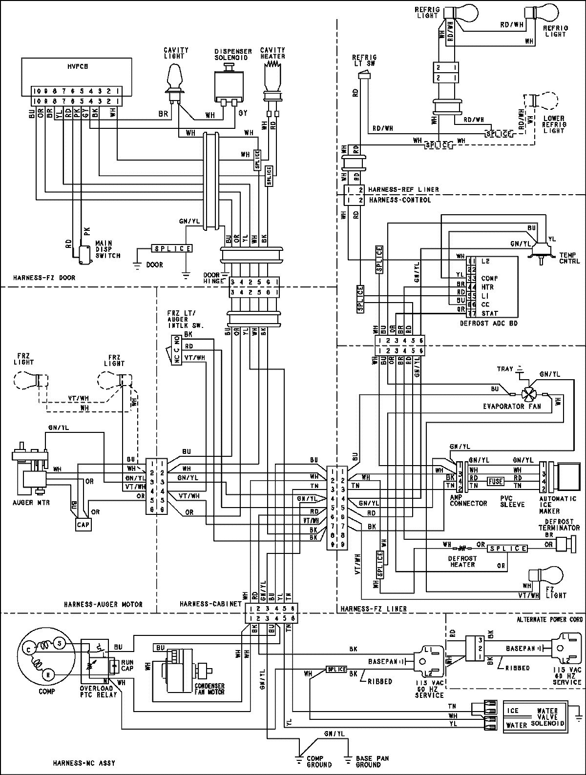
ACD2234KRS 19 – WIRING INFORMATIONadmin2025-04-26T09:10:35+00:00ACD2234KRS 19 – WIRING INFORMATION ProductsPositionProductNIMAY 15003928