ACE114XM0 02 – UNIT PARTSadmin2025-04-26T11:37:54+00:00ACE114XM0 02 – UNIT PARTS
Products
| Position | Product |
|---|
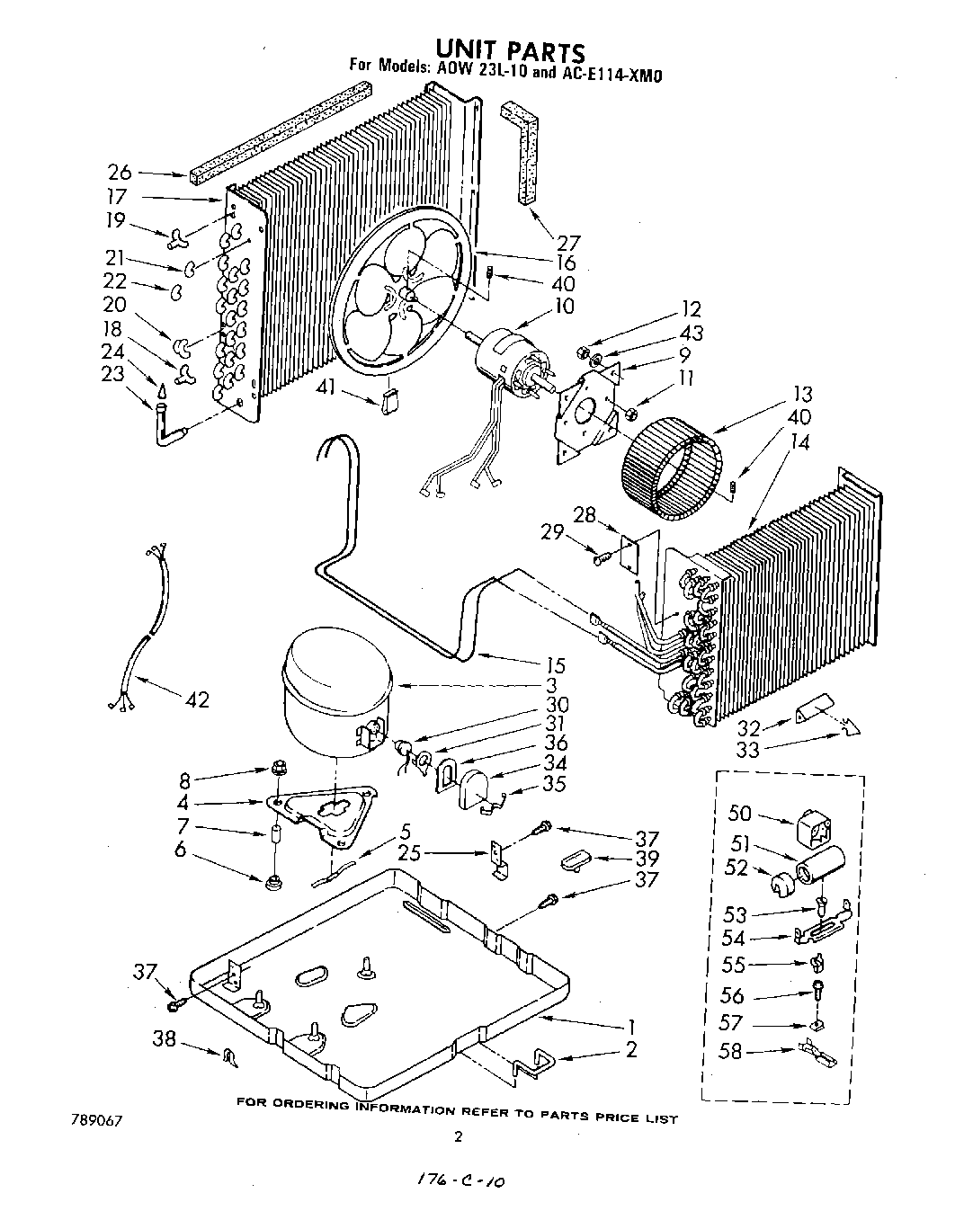
| 1 | Base Assembly |
| 2 | WPL 647971 |
| 3 | Compressor Assembly |
| 4 | Plate, Compressor |
| 5 | Spring, Clip |
| 6 | Grommet, Compressor (3) |
| 7 | Sleeve, Compressor (3) |
| 8 | Locknut (3) |
| 9 | WPL 998024 |
| 10 | Motor, Fan |
| 11 | WP488130 Whirlpool Air Conditioner Nut |
| 12 | Nut, Hex (4) |
| 13 | Wheel, Blower |
| 14 | Evaporator |
| 15 | Tube, Restrictor (2) (Length 36.0``) |
| 16 | Blade, Fan |
| 17 | Condenser Assembly |
| 18 | Bend, Return 3-Way |
| 19 | Bend, Return (3-Way) |
| 20 | Bend, Return Evaporator (4) |
| 21 | Bend, Return Evaporator (11) |
| 22 | Bend, Return Evaporator (4) |
| 23 | Tube & Strainer (Includes Item 23) |
| 24 | Strainer |
| 25 | WPL 647824 |
| 26 | WPL 649609 |
| 27 | WPL 649610 |
| 28 | Cover, Tube Opening |
| 29 | WP965173 Whirlpool Dishwasher Screw |
| 30 | Overload |
| 31 | Spring, Overload |
| 32 | Anticipator |
| 33 | Clip, Anticipator |
| 34 | Cover, Terminal |
| 35 | Retainer, Terminal Cover |
| 36 | Gasket, Terminal Cover |
| 37 | WP489069 Whirlpool Compactor Screw |
| 38 | Clamp, Restrictor Tube |
| 39 | WPL 647850 |
| 40 | Setscrew, 5/16 x 1/4 |
| 41 | Clip, Balancing |
| 42 | Harness, Wiring |
| 43 | Washer, Repair (4) |
| 50 | Relay, Start |
| 51 | Capacitor (Component Of Start Kit) |
| 52 | Cap, Capacitor (Component Of Start Kit) |
| 53 | Screw, 10 x 5/8 (Component Of Start Kit) |
| 54 | Bracket, Capacitor (Component Of Start Kit) |
| 55 | Multiplier, Terminal (Component Of Start Kit) |
| 57 | 488660 Whirlpool Refrigerator Nut |
| 58 | VALVE, ACCESS (5/8``) |
| 58 | 978026 Whirlpool Refrigerator Primary Valve |
| 58 | 978027 Whirlpool Refrigerator Primary Valve |
| 58 | 978030 Whirlpool Refrigerator Valve |
| 58 | VALVE, ACCESS (1/2``) |
| 58 | WP978025 Whirlpool Refrigerator Valve |
| 58 | Oil, Turbine 1 Fl. Oz. |
| 58 | Kit, Evaporator Repair (Aluminum Epoxy) |
| 58 | Clip, Terminal (Component Of Start Kit) |
| 58 | No Drip Tape (For Sweating Tubes) |
| 58 | WPL 484220 |
| 58 | St |