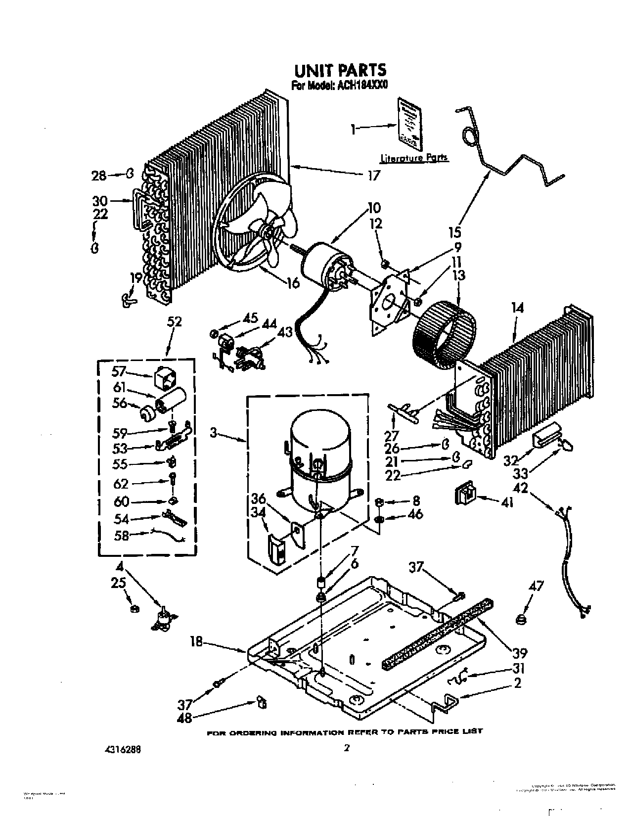
| 1 | Sheet, Service Tech (Service Information) |
| 1 | Literature Parts (Wiring Diagram) |
| 1 | Instructions, Installation |
| 1 | Buy Guide |
| 1 | Literature Parts (List, Repair Parts) |
| 2 | WPL 647971 |
| 3 | Compressor |
| 4 | Valve, Condensate |
| 6 | Grommet (4) |
| 7 | Sleeve (4) |
| 8 | Locknut (3) |
| 9 | WPL 998024 |
| 10 | Motor, Fan |
| 11 | WP488130 Whirlpool Air Conditioner Nut |
| 12 | Nut, Hex (4) |
| 13 | Wheel, Blower |
| 14 | Evaporator |
| 15 | Tube, Restrictor (3) |
| 16 | Blade, Fan |
| 17 | Condenser |
| 18 | Base, Unit |
| 19 | Bend, Return (3-Way) |
| 21 | Bend, Return Evaporator (11) |
| 22 | Bend, Return Evaporator (4) |
| 25 | Nut, Hex 1/4-20 |
| 26 | Return Bend (2) |
| 27 | Tube, Maniflod (Evaporator) |
| 28 | Bend, Return Evaporator (4) |
| 30 | Tube, Flow Divider |
| 31 | Clip, Mtg. (3) |
| 32 | Anticipator |
| 33 | Clip (2) |
| 34 | Cover, Terminal |
| 35 | Insulation |
| 36 | Gasket, Terminal Cover |
| 37 | WP489069 Whirlpool Compactor Screw |
| 38 | Insulation |
| 39 | Seal |
| 40 | Insulation, Base |
| 41 | Seal, Tube |
| 42 | Harness, Wiring |
| 43 | Valve, Reversing |
| 44 | WPL 947233 |
| 45 | WP488826 Whirlpool Nut |
| 46 | Washer, Flat (3) |
| 47 | Bushing, Base |
| 48 | Clamp, Restrictor Tube |
| 52 | Hard Start Kit |
| 53 | xMultiplier, Terminal |
| 54 | WP90028 Whirlpool Terminal |
| 55 | Adapter |
| 56 | xCap, Capacitor |
| 57 | xRelay |
| 58 | Instruction Sheet |
| 58 | xWire |
| 59 | Screw, 10 x 5/8 (Component Of Start Kit) |
| 60 | 488660 Whirlpool Refrigerator Nut |
| 61 | xCapacitor |
| 62 | WP965173 Whirlpool Dishwasher Screw |