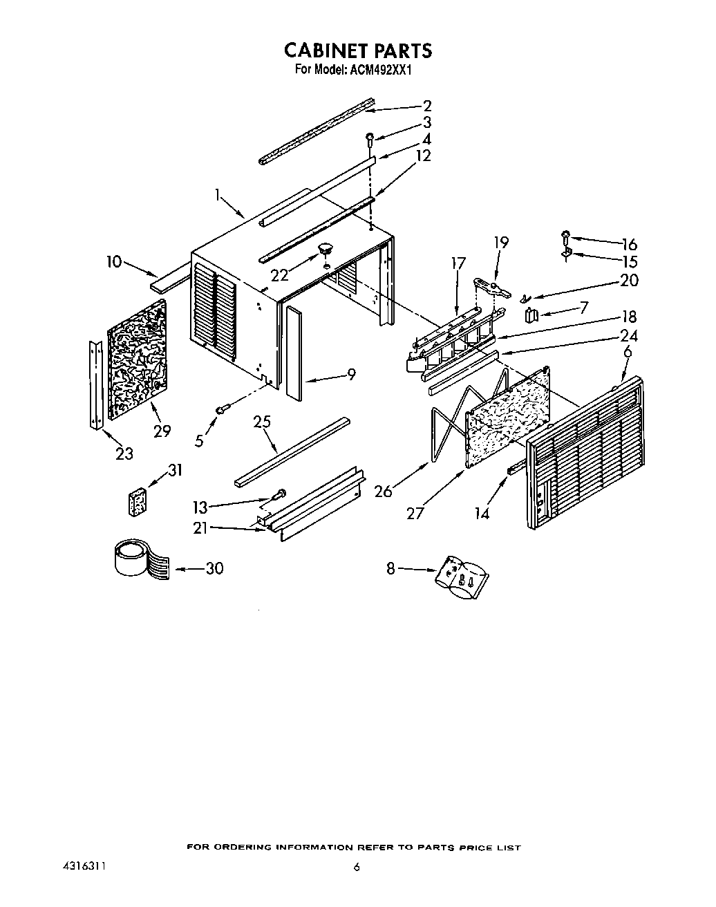
ACM492XX1 04 – CABINET