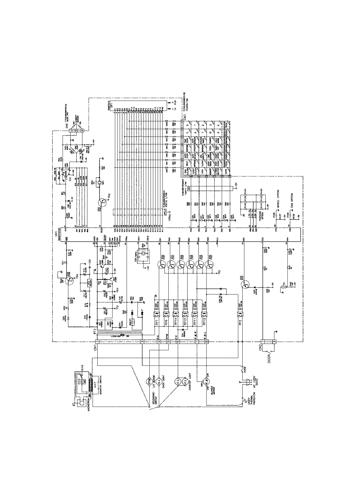
ACO1560AS 07 – WIRING INFORMATIONadmin2025-04-26T09:10:45+00:00ACO1560AS 07 – WIRING INFORMATION ProductsPositionProductNIMAY 15002997