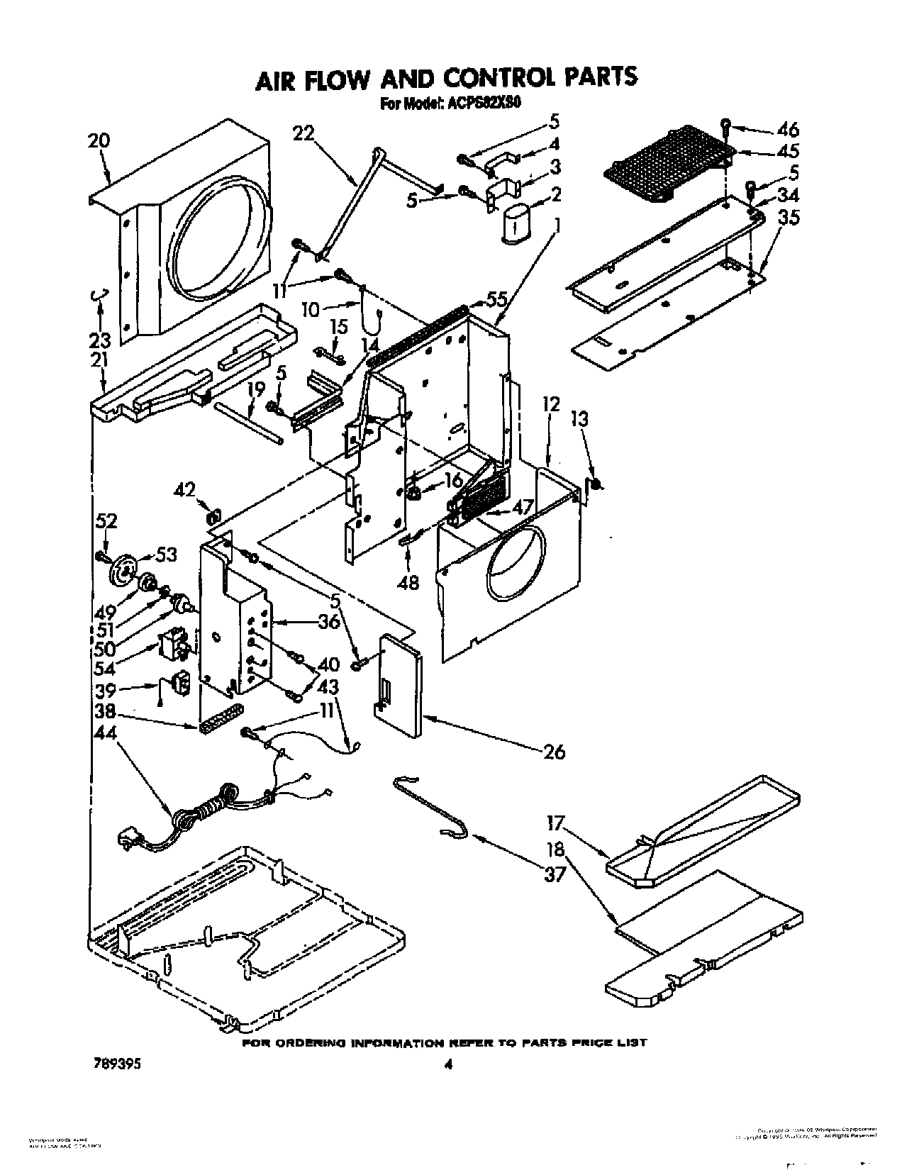
ACPS82XS0 03 – AIR FLOW AND CONTROLadmin2025-04-26T10:55:17+00:00ACPS82XS0 03 – AIR FLOW AND CONTROL
Products
| Position | Product |
|---|
| 1 | Wall, Dividing |
| 2 | Capacitor, Running |
| 3 | Bracket (Lower) |
| 4 | Bracket (Upper) |
| 5 | WP489069 Whirlpool Compactor Screw |
| 10 | Wire, Ground |
| 11 | WPW10141604 Whirlpool Screw |
| 12 | Housing, Blower Wheel |
| 13 | Fastener, snap (2) |
| 14 | Channel, Wiring |
| 15 | Clamp, Cable |
| 16 | Clip, Speed |
| 17 | Pan, Evaporator Condensate |
| 18 | Insulation, Condensate Pan |
| 19 | Tube, Condensate |
| 20 | Shroud, Condenser |
| 21 | Pan, Condenser Condensate |
| 22 | Support, Unit |
| 23 | Clip, Shroud (3) |
| 26 | Dividing Wall Assembly, L.S. |
| 34 | Cover, Evaporator |
| 35 | Insulation, Evaporator Cover |
| 36 | Box, Control |
| 37 | Wire, C |
| 38 | WP854334 Whirlpool Air Conditioner Sealing Strip |
| 39 | Control, Tempetature |
| 40 | Screw, 6-32 x .175 |
| 42 | Grommet |
| 43 | Wire, Ground |
| 44 | Cable, Appliance |
| 45 | Guard, Evaporator Impeller |
| 46 | WP488729 Whirlpool Refrigerator Door Screw |
| 47 | Door, Exhaust |
| 48 | Spring, Door |
| 49 | Bushing, Shaft |
| 50 | Shaft, Control |
| 51 | Washer |
| 52 | WP98165 Whirlpool Screw |
| 53 | Cam, Exhaust |
| 54 | Switch, Rotary |