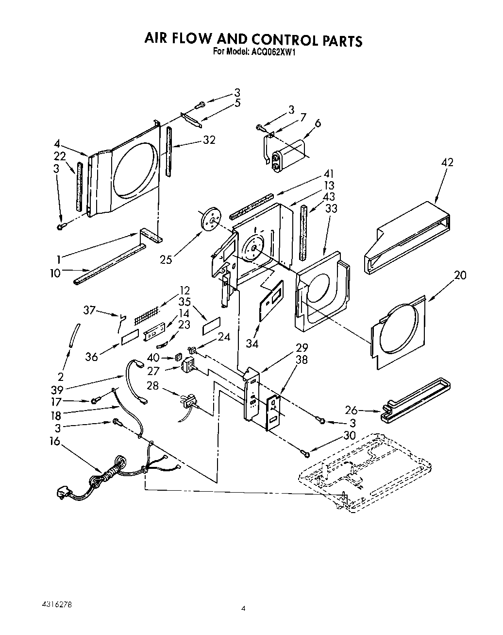
ACQ062XW1 03 – AIR FLOW AND CONTROLadmin2025-04-26T12:03:09+00:00ACQ062XW1 03 – AIR FLOW AND CONTROL
Products
| Position | Product |
|---|
| 1 | Seal, Condensate |
| 2 | Sealer, Tube |
| 3 | Screw, 8 x 3/8 |
| 4 | Shroud, Condenser |
| 5 | Support, Unit |
| 6 | Capacitor, Running |
| 7 | Bracket, Capacitor |
| 12 | Screen, Exhaust Door |
| 13 | Wall, Dividing |
| 14 | Door, Exhaust |
| 16 | Cord, Appliance |
| 17 | Screw 8-18 x .295 |
| 18 | Wire, Ground |
| 20 | Shroud, Evaporator |
| 23 | Spring, Retainer |
| 24 | Actuator, Door |
| 25 | Insulation, Motor |
| 26 | Pan, Evaporator |
| 27 | Switch, Rotary |
| 28 | Control, Temperature |
| 29 | Panel, Control |
| 30 | Screw, 6-32 x .175 |
| 32 | Seal, Condenser (R.S.) |
| 33 | Housing, Air |
| 34 | Insulation, Exhaust Door |
| 35 | Spacer |
| 36 | Barrier Protective |
| 37 | Arm, Exhaust Door |
| 38 | Insulation, Control Panel |
| 39 | Wire, Jumper |
| 40 | Seal, Switch |
| 41 | WP854334 Whirlpool Air Conditioner Sealing Strip |
| 42 | Hood, Air Housing |